李工:138-8949-5179 刘工:135-0428-8802
型号查询
轴承型号   常见搜索: 6309轴承 617轴承 6009轴承 6020轴承 6014轴承 6022轴承
型号查询 X

轴承专区

Bearings Center

QJ 307 MA *轴承-SKF QJ 307 MA *轴承尺寸、图纸、价格

SKF QJ 307 MA *轴承

产品名称:QJ 307 MA *轴承 品牌:SKF
类型:SKF轴承 > 滚动轴承 > 角接触球轴承
描述:QJ 307 MA *轴承是【SKF轴承 > 滚动轴承 > 角接触球轴承】的型号,主要用在通用电动机、高频马达、挖土机履带轮、前轮、减速装置、机床等的变速装置、轧钢机轧制螺杆用减速机、音像设备、压路机、机场加油机等各大领域

 电话/微信:138-8949-5179

SKF QJ 307 MA *轴承详细信息

QJ 307 MA *轴承是【SKF轴承 > 滚动轴承 > 角接触球轴承】的型号,主要用在通用电动机、高频马达、挖土机履带轮、前轮、减速装置、机床等的变速装置、轧钢机轧制螺杆用减速机、音像设备、压路机、机场加油机等各大领域。

SKF QJ 307 MA *轴承详细参数

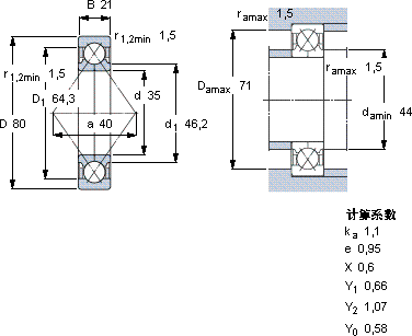
角接触球轴承, 四点接触球轴承
主要数据尺寸基本负荷额定值疲劳负荷限值额定速度体积型号
动态静态参照速度限制速度
dDBCC0Pu * - SKF Explorer 轴承
mmkNkNr/minkg-
35802164512,1611000150000,57QJ 307 MA *

SKF QJ 307 MA *轴承尺寸图纸

李工:138-8949-5179

刘工:135-0428-8802

地址:辽宁省大连经济技术开发区现代城3栋-13-13号

在线客服系统