李工:138-8949-5179 刘工:135-0428-8802
型号查询
轴承型号   常见搜索: 688a轴承 6018轴承 6028轴承 6016轴承 1轴承 6214轴承
型号查询 X

轴承专区

Bearings Center

QJ 209 MA *轴承-SKF QJ 209 MA *轴承尺寸、图纸、价格

SKF QJ 209 MA *轴承

产品名称:QJ 209 MA *轴承 品牌:SKF
类型:SKF轴承 > 滚动轴承 > 角接触球轴承
描述:QJ 209 MA *轴承是【SKF轴承 > 滚动轴承 > 角接触球轴承】的型号,主要用在农业机械、空气压缩机、发电机、大型农业机械、木工机械、耕耘机、钢铁厂、医药设备、地基处理机械、刮泥机等各大领域

 电话/微信:138-8949-5179

SKF QJ 209 MA *轴承详细信息

QJ 209 MA *轴承是【SKF轴承 > 滚动轴承 > 角接触球轴承】的型号,主要用在农业机械、空气压缩机、发电机、大型农业机械、木工机械、耕耘机、钢铁厂、医药设备、地基处理机械、刮泥机等各大领域。

SKF QJ 209 MA *轴承详细参数

角接触球轴承, 四点接触球轴承
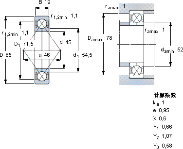
主要数据尺寸基本负荷额定值疲劳负荷限值额定速度体积型号
动态静态参照速度限制速度
dDBCC0Pu * - SKF Explorer 轴承
mmkNkNr/minkg-
45851963562,3610000140000,52QJ 209 MA *

SKF QJ 209 MA *轴承尺寸图纸

李工:138-8949-5179

刘工:135-0428-8802

地址:辽宁省大连经济技术开发区现代城3栋-13-13号

在线客服系统