李工:138-8949-5179 刘工:135-0428-8802
型号查询
轴承型号   常见搜索: 6005轴承 6304轴承 6015轴承 2026轴承 6006轴承 6013轴承
型号查询 X

轴承专区

Bearings Center

220轴承-SKF 220轴承尺寸、图纸、价格

SKF 220轴承

产品名称:220轴承 品牌:SKF
类型:SKF轴承 > 滚动轴承 > 深沟球轴承
描述:220轴承是【SKF轴承 > 滚动轴承 > 深沟球轴承】的型号,主要用在农业机械、燃汽轮机、燃汽轮机、后轮、造纸机械、石油钻机、钢铁厂、电子、给料机械、刮泥机等各大领域

 电话/微信:138-8949-5179

SKF 220轴承详细信息

220轴承是【SKF轴承 > 滚动轴承 > 深沟球轴承】的型号,主要用在农业机械、燃汽轮机、燃汽轮机、后轮、造纸机械、石油钻机、钢铁厂、电子、给料机械、刮泥机等各大领域。

SKF 220轴承详细参数

深沟球轴承, 单列,带装球缺口, 无密封件
主要数据尺寸基本负荷额定值疲劳负荷限值额定速度体积型号
动态静态参照速度限制速度
dDBCC0Pu
mmkNkNr/minkg-
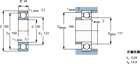
100180341341405630040003,45220

SKF 220轴承尺寸图纸

李工:138-8949-5179

刘工:135-0428-8802

地址:辽宁省大连经济技术开发区现代城3栋-13-13号

在线客服系统