李工:138-8949-5179 刘工:135-0428-8802
型号查询
轴承型号   常见搜索: 6016轴承 6015轴承 6304轴承 22222轴承 6001轴承 6014轴承
型号查询 X

轴承专区

Bearings Center

PFT 30 FM轴承-SKF PFT 30 FM轴承尺寸、图纸、价格

SKF PFT 30 FM轴承

产品名称:PFT 30 FM轴承 品牌:SKF
类型:SKF轴承 > 轴承单元 > Y-轴承法兰单元
描述:PFT 30 FM轴承是【SKF轴承 > 轴承单元 > Y-轴承法兰单元】的型号,主要用在电气装置部件、燃汽轮机、汽车发动机、后轮、振动筛、石油钻机、船舶用螺旋桨轴、化纤机械、解体机、风力发电设备等各大领域

 电话/微信:138-8949-5179

SKF PFT 30 FM轴承详细信息

PFT 30 FM轴承是【SKF轴承 > 轴承单元 > Y-轴承法兰单元】的型号,主要用在电气装置部件、燃汽轮机、汽车发动机、后轮、振动筛、石油钻机、船舶用螺旋桨轴、化纤机械、解体机、风力发电设备等各大领域。

SKF PFT 30 FM轴承详细参数

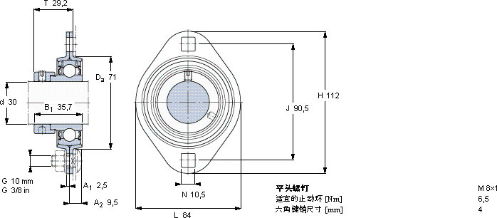
Y-型轴承带法兰单元, 冲压钢轴承座,偏心锁定轴环, 带一个椭圆形法兰和两个螺栓孔, 公制轴承
尺寸基本负荷额定值可允许住质量轴承单元定购代号
动态静态房装载轴承轴承座轴承
dDaHJTCC0径向单元
mmkNkNkg-
307111290,529,219,511,250,46PFT 30 FMPFT 62YET 206

SKF PFT 30 FM轴承尺寸图纸

李工:138-8949-5179

刘工:135-0428-8802

地址:辽宁省大连经济技术开发区现代城3栋-13-13号

在线客服系统