李工:138-8949-5179 刘工:135-0428-8802
型号查询
轴承型号   常见搜索: 22222轴承 2025轴承 6900轴承 1轴承 6012轴承 6011轴承
型号查询 X

轴承专区

Bearings Center

HMVC 40E轴承-SKF HMVC 40E轴承尺寸、图纸、价格

SKF HMVC 40E轴承

产品名称:HMVC 40E轴承 品牌:SKF
类型:SKF轴承 > 滚动轴承 > 轴承附件
描述:HMVC 40E轴承是【SKF轴承 > 滚动轴承 > 轴承附件】的型号,主要用在飞机喷气式发动机、空气压缩机、减速装置、大型农业机械、造纸机械、耕耘机、燃机、医药设备、平地机、钢包回转台等各大领域

 电话/微信:138-8949-5179

SKF HMVC 40E轴承详细信息

HMVC 40E轴承是【SKF轴承 > 滚动轴承 > 轴承附件】的型号,主要用在飞机喷气式发动机、空气压缩机、减速装置、大型农业机械、造纸机械、耕耘机、燃机、医药设备、平地机、钢包回转台等各大领域。

SKF HMVC 40E轴承详细参数

Hydraulic nuts, inch sizes
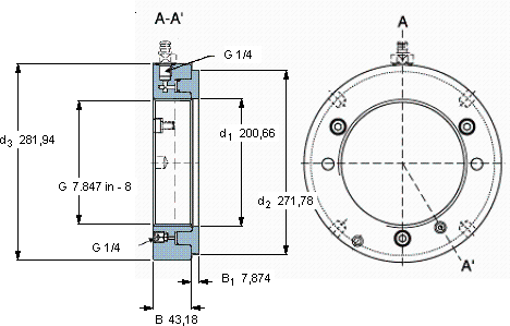
螺纹尺寸尺寸PermittedPiston area体积型号
piston
Gd1d2d3BB1displacement
mmmm (metric sizes)mmmmmm2 (metric sizes)kg-
in - threads/in (inch sizes)in2 (inch sizes)
197,2517.847 in - 8200,66271,78281,9443,187,8747,87419,425,4HMVC 40E-

SKF HMVC 40E轴承尺寸图纸

李工:138-8949-5179

刘工:135-0428-8802

地址:辽宁省大连经济技术开发区现代城3栋-13-13号

在线客服系统