李工:138-8949-5179 刘工:135-0428-8802
型号查询
轴承型号   常见搜索: 6008轴承 6016轴承 6304轴承 6030轴承 6214轴承 6032轴承
型号查询 X

轴承专区

Bearings Center

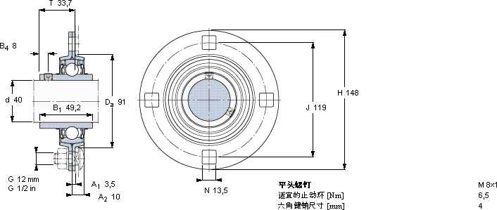
PF 40 TF轴承-SKF PF 40 TF轴承尺寸、图纸、价格

SKF PF 40 TF轴承

产品名称:PF 40 TF轴承 品牌:SKF
类型:SKF轴承 > 轴承单元 > Y-轴承法兰单元
描述:PF 40 TF轴承是【SKF轴承 > 轴承单元 > Y-轴承法兰单元】的型号,主要用在各种产业机械、差速器小齿轮轴、汽车发动机、小齿轮轴、各类产业用减速机、机床等的变速装置、发电厂、玩具、工程船舶、雷达等各大领域

 电话/微信:138-8949-5179

SKF PF 40 TF轴承详细信息

PF 40 TF轴承是【SKF轴承 > 轴承单元 > Y-轴承法兰单元】的型号,主要用在各种产业机械、差速器小齿轮轴、汽车发动机、小齿轮轴、各类产业用减速机、机床等的变速装置、发电厂、玩具、工程船舶、雷达等各大领域。

SKF PF 40 TF轴承详细参数

Y-型轴承带法兰单元, 冲压钢轴承座,平头螺钉锁定, 带一个圆形法兰和三或四个螺栓孔, 公制轴承
尺寸基本负荷额定值可允许住质量轴承单元定购代号
动态静态房装载轴承轴承座轴承
dDaHJTCC0径向单元
mmkNkNkg-
409114811933,730,7197,51,3PF 40 TFPF 80YAR 208-2F

SKF PF 40 TF轴承尺寸图纸

李工:138-8949-5179

刘工:135-0428-8802

地址:辽宁省大连经济技术开发区现代城3栋-13-13号

在线客服系统