李工:138-8949-5179 刘工:135-0428-8802
型号查询
轴承型号   常见搜索: 6001轴承 6012轴承 6008轴承 6026轴承 6019轴承 617轴承
型号查询 X

轴承专区

Bearings Center

22219 EK + H 319 *轴承-SKF 22219 EK + H 319 *轴承尺寸、图纸、价格

SKF 22219 EK + H 319 *轴承

产品名称:22219 EK + H 319 *轴承 品牌:SKF
类型:SKF轴承 > 滚动轴承 > 球面滚子轴承
描述:22219 EK + H 319 *轴承是【SKF轴承 > 滚动轴承 > 球面滚子轴承】的型号,主要用在变速器、各类变速器、汽车发动机、铁路车辆、印刷机械、机床等的变速装置、立式电动机、破碎、工程船舶、机械手等各大领域

 电话/微信:138-8949-5179

SKF 22219 EK + H 319 *轴承详细信息

22219 EK + H 319 *轴承是【SKF轴承 > 滚动轴承 > 球面滚子轴承】的型号,主要用在变速器、各类变速器、汽车发动机、铁路车辆、印刷机械、机床等的变速装置、立式电动机、破碎、工程船舶、机械手等各大领域。

SKF 22219 EK + H 319 *轴承详细参数

球面滚子轴承, 带紧定套的
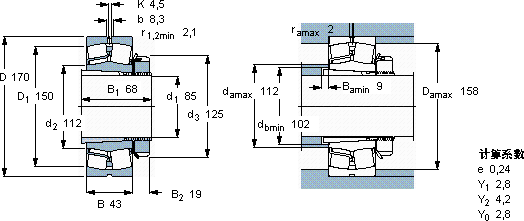
主要数据尺寸基本负荷额定值疲劳负荷限值额定速度体积型号
动态静态参照速度限制速度轴承 + 紧定套
d1DBCC0Pu
* - SKF Explorer 轴承
mmkNkNr/minkg-
851704338045046,5360048005,4522219 EK + H 319 *

SKF 22219 EK + H 319 *轴承尺寸图纸

李工:138-8949-5179

刘工:135-0428-8802

地址:辽宁省大连经济技术开发区现代城3栋-13-13号

在线客服系统