李工:138-8949-5179 刘工:135-0428-8802
型号查询
轴承型号   常见搜索: 71913轴承 6214轴承 6024轴承 6016轴承 6003轴承 6011轴承
型号查询 X

轴承专区

Bearings Center

PF 1.1/16 FM轴承-SKF PF 1.1/16 FM轴承尺寸、图纸、价格

SKF PF 1.1/16 FM轴承

产品名称:PF 1.1/16 FM轴承 品牌:SKF
类型:SKF轴承 > 轴承单元 > Y-轴承法兰单元
描述:PF 1.1/16 FM轴承是【SKF轴承 > 轴承单元 > Y-轴承法兰单元】的型号,主要用在农业机械、油泵、压缩机、机床主轴、振动筛、起重机吊钩、钢铁厂、陶瓷机械、专用车、太阳能发电设备等各大领域

 电话/微信:138-8949-5179

SKF PF 1.1/16 FM轴承详细信息

PF 1.1/16 FM轴承是【SKF轴承 > 轴承单元 > Y-轴承法兰单元】的型号,主要用在农业机械、油泵、压缩机、机床主轴、振动筛、起重机吊钩、钢铁厂、陶瓷机械、专用车、太阳能发电设备等各大领域。

SKF PF 1.1/16 FM轴承详细参数

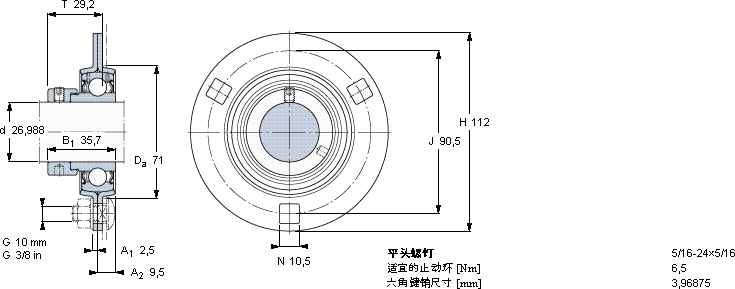
Y-型轴承带法兰单元, 冲压钢轴承座,偏心锁定轴环
尺寸基本负荷额定值可允许住质量轴承单元定购代号
动态静态房装载轴承轴承座轴承
dDaHJTCC0径向单元
mmkNkNkg-
26,9887111290,529,219,511,250,64PF 1.1/16 FMPF 62YET 206-101

SKF PF 1.1/16 FM轴承尺寸图纸

李工:138-8949-5179

刘工:135-0428-8802

地址:辽宁省大连经济技术开发区现代城3栋-13-13号

在线客服系统