李工:138-8949-5179 刘工:135-0428-8802
型号查询
轴承型号   常见搜索: 2026轴承 6022轴承 6900轴承 3214轴承 6013轴承 6006轴承
型号查询 X

轴承专区

Bearings Center

6208-2Z/VA201轴承-SKF 6208-2Z/VA201轴承尺寸、图纸、价格

SKF 6208-2Z/VA201轴承

产品名称:6208-2Z/VA201轴承 品牌:SKF
类型:SKF轴承 > 滚动轴承 > 深沟球轴承
描述:6208-2Z/VA201轴承是【SKF轴承 > 滚动轴承 > 深沟球轴承】的型号,主要用在仪表、离心分离机、木工机械、变速器、轧钢机齿轮箱座、石油钻机转环、碾煤机、钟表、轻工机械、坦克等各大领域

 电话/微信:138-8949-5179

SKF 6208-2Z/VA201轴承详细信息

6208-2Z/VA201轴承是【SKF轴承 > 滚动轴承 > 深沟球轴承】的型号,主要用在仪表、离心分离机、木工机械、变速器、轧钢机齿轮箱座、石油钻机转环、碾煤机、钟表、轻工机械、坦克等各大领域。

SKF 6208-2Z/VA201轴承详细参数

深沟球轴承, 用于高温的深沟球轴承, 两面防尘罩
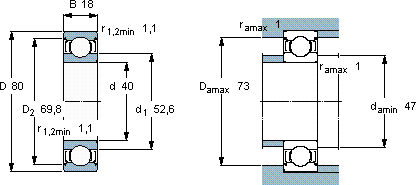
主要数据尺寸基本负荷额定值径向内部游隙体积型号
静态
dDBC0最小最大
mmkNμmkg-
408018191602560,376208-2Z/VA201

SKF 6208-2Z/VA201轴承尺寸图纸

李工:138-8949-5179

刘工:135-0428-8802

地址:辽宁省大连经济技术开发区现代城3栋-13-13号

在线客服系统