李工:138-8949-5179 刘工:135-0428-8802
型号查询
轴承型号   常见搜索: 6001轴承 6906轴承 6014轴承 *轴承 6909轴承 6017轴承
型号查询 X

轴承专区

Bearings Center

PDPF 2220轴承-SKF PDPF 2220轴承尺寸、图纸、价格

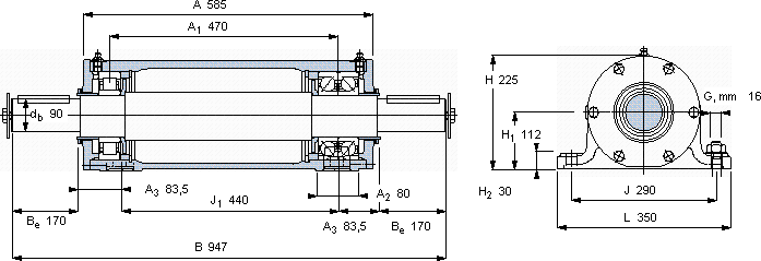
SKF PDPF 2220轴承

产品名称:PDPF 2220轴承 品牌:SKF
类型:SKF轴承 > 轴承单元 > 双轴承装置
描述:PDPF 2220轴承是【SKF轴承 > 轴承单元 > 双轴承装置】的型号,主要用在建筑机械、离心分离机、中型及大型电动机、变速器、各类产业用减速机、制铁制钢机械、成形机、陶瓷机械、堆取料机、港口起重机等各大领域

 电话/微信:138-8949-5179

SKF PDPF 2220轴承详细信息

PDPF 2220轴承是【SKF轴承 > 轴承单元 > 双轴承装置】的型号,主要用在建筑机械、离心分离机、中型及大型电动机、变速器、各类产业用减速机、制铁制钢机械、成形机、陶瓷机械、堆取料机、港口起重机等各大领域。

SKF PDPF 2220轴承详细参数

双轴承单元, PDPF单元
尺寸整体轴承质量型号
轴承座与Key405轴承单元
dbBHH1L
mm-kg-
90947225112350NU 2220 ECP7220 BECBP7220 BECBP137PDPF 2220

SKF PDPF 2220轴承尺寸图纸

李工:138-8949-5179

刘工:135-0428-8802

地址:辽宁省大连经济技术开发区现代城3栋-13-13号

在线客服系统