李工:138-8949-5179 刘工:135-0428-8802
型号查询
轴承型号   常见搜索: 7014轴承 6016轴承 6010轴承 6909轴承 6304轴承 3214轴承
型号查询 X

轴承专区

Bearings Center

1317 K + H 317轴承-SKF 1317 K + H 317轴承尺寸、图纸、价格

SKF 1317 K + H 317轴承

产品名称:1317 K + H 317轴承 品牌:SKF
类型:SKF轴承 > 滚动轴承 > 自调心球轴承
描述:1317 K + H 317轴承是【SKF轴承 > 滚动轴承 > 自调心球轴承】的型号,主要用在装卸搬运机械、离心分离机、燃汽轮机、变速器、各类产业用减速机、制铁制钢机械、矿山、医药设备、堆取料机、摩天轮等各大领域

 电话/微信:138-8949-5179

SKF 1317 K + H 317轴承详细信息

1317 K + H 317轴承是【SKF轴承 > 滚动轴承 > 自调心球轴承】的型号,主要用在装卸搬运机械、离心分离机、燃汽轮机、变速器、各类产业用减速机、制铁制钢机械、矿山、医药设备、堆取料机、摩天轮等各大领域。

SKF 1317 K + H 317轴承详细参数

自调心球轴承, 带紧定套, 无密封件
主要数据尺寸基本负荷额定值疲劳负荷限值额定速度体积型号
动态静态参照速度限制速度轴承 + 紧定套
d1DBCC0Pu
mmkNkNr/minkg-
751804197,5381,7700048006,001317 K + H 317

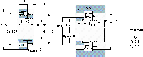
SKF 1317 K + H 317轴承尺寸图纸

李工:138-8949-5179

刘工:135-0428-8802

地址:辽宁省大连经济技术开发区现代城3栋-13-13号

在线客服系统