李工:138-8949-5179 刘工:135-0428-8802
型号查询
轴承型号   常见搜索: 6006轴承 6205轴承 6900轴承 6021轴承 6018轴承 6014轴承
型号查询 X

轴承专区

Bearings Center

NUP 238 ECMA *轴承-SKF NUP 238 ECMA *轴承尺寸、图纸、价格

SKF NUP 238 ECMA *轴承

产品名称:NUP 238 ECMA *轴承 品牌:SKF
类型:SKF轴承 > 滚动轴承 > 圆柱滚子轴承
描述:NUP 238 ECMA *轴承是【SKF轴承 > 滚动轴承 > 圆柱滚子轴承】的型号,主要用在通用电动机、离心分离机、纺织机械传动轴、变速器、印刷机械、制铁制钢机械、轧钢机轧制螺杆用减速机、薄膜拉伸、起重机械、太阳能发电设备等各大领域

 电话/微信:138-8949-5179

SKF NUP 238 ECMA *轴承详细信息

NUP 238 ECMA *轴承是【SKF轴承 > 滚动轴承 > 圆柱滚子轴承】的型号,主要用在通用电动机、离心分离机、纺织机械传动轴、变速器、印刷机械、制铁制钢机械、轧钢机轧制螺杆用减速机、薄膜拉伸、起重机械、太阳能发电设备等各大领域。

SKF NUP 238 ECMA *轴承详细参数

圆柱滚子轴承, 单列, NUP 设计
主要数据尺寸基本负荷额定值疲劳负荷限值额定速度体积型号适宜的斜挡圈
动态静态参照速度限制速度型号
dDBCC0Pu * - SKF Explorer 轴承
mmkNkNr/minkg--
19034055800965982000300025,0NUP 238 ECMA *-

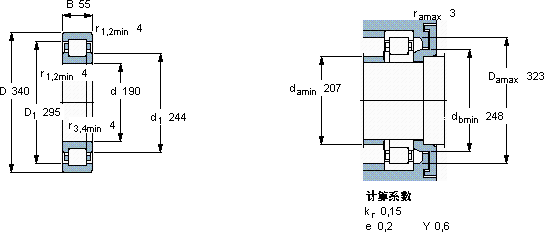
SKF NUP 238 ECMA *轴承尺寸图纸

李工:138-8949-5179

刘工:135-0428-8802

地址:辽宁省大连经济技术开发区现代城3栋-13-13号

在线客服系统