轴承专区
Bearings Center
NUP 234 ECMA *轴承-SKF NUP 234 ECMA *轴承尺寸、图纸、价格
SKF NUP 234 ECMA *轴承
| 产品名称: | NUP 234 ECMA *轴承 | 品牌: | SKF |
|---|---|---|---|
| 类型: | SKF轴承 > 滚动轴承 > 圆柱滚子轴承 | ||
| 描述: | NUP 234 ECMA *轴承是【SKF轴承 > 滚动轴承 > 圆柱滚子轴承】的型号,主要用在变速器、各类变速器、提升机、铁路车辆、印刷机械、机床等的变速装置、立式电动机、音像设备、工程船舶、机械手等各大领域 | ||
电话/微信:138-8949-5179
SKF NUP 234 ECMA *轴承详细信息
NUP 234 ECMA *轴承是【SKF轴承 > 滚动轴承 > 圆柱滚子轴承】的型号,主要用在变速器、各类变速器、提升机、铁路车辆、印刷机械、机床等的变速装置、立式电动机、音像设备、工程船舶、机械手等各大领域。
SKF NUP 234 ECMA *轴承详细参数
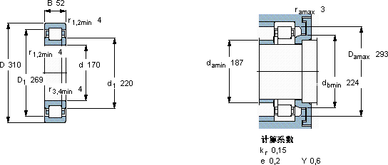
| 圆柱滚子轴承, 单列, NUP 设计 | ||||||||||||
| 主要数据尺寸 | 基本负荷额定值 | 疲劳负荷限值 | 额定速度 | 体积 | 型号 | 适宜的斜挡圈 | ||||||
| 动态 | 静态 | 参照速度 | 限制速度 | 型号 | ||||||||
| d | D | B | C | C0 | Pu | * - SKF Explorer 轴承 | ||||||
| mm | kN | kN | r/min | kg | - | - | ||||||
| 170 | 310 | 52 | 695 | 815 | 85 | 2400 | 3200 | 20,0 | NUP 234 ECMA * | - | ||
SKF NUP 234 ECMA *轴承尺寸图纸

