李工:138-8949-5179 刘工:135-0428-8802
型号查询
轴承型号   常见搜索: 6019轴承 6909轴承 6030轴承 6013轴承 6011轴承 6003轴承
型号查询 X

轴承专区

Bearings Center

604-Z轴承-SKF 604-Z轴承尺寸、图纸、价格

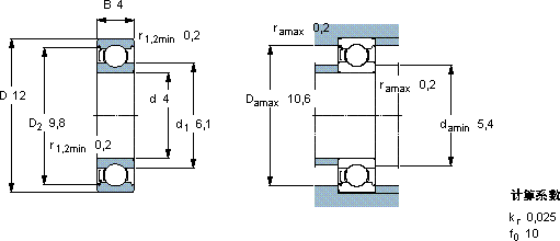
SKF 604-Z轴承

产品名称:604-Z轴承 品牌:SKF
类型:SKF轴承 > 滚动轴承 > 深沟球轴承
描述:604-Z轴承是【SKF轴承 > 滚动轴承 > 深沟球轴承】的型号,主要用在燃汽轮机、差速器小齿轮轴、中型及大型电动机、小齿轮轴、各类产业用减速机、机床等的变速装置、电机厂、纺织、工程船舶、数控设备等各大领域

 电话/微信:138-8949-5179

SKF 604-Z轴承详细信息

604-Z轴承是【SKF轴承 > 滚动轴承 > 深沟球轴承】的型号,主要用在燃汽轮机、差速器小齿轮轴、中型及大型电动机、小齿轮轴、各类产业用减速机、机床等的变速装置、电机厂、纺织、工程船舶、数控设备等各大领域。

SKF 604-Z轴承详细参数

深沟球轴承, 单列, 单面防尘罩
主要数据尺寸基本负荷额定值疲劳负荷限值额定速度体积型号
动态静态参照速度限制速度
dDBCC0Pu
mmkNkNr/minkg-
41240,8060,280,012120000600000,0021604-Z

SKF 604-Z轴承尺寸图纸

李工:138-8949-5179

刘工:135-0428-8802

地址:辽宁省大连经济技术开发区现代城3栋-13-13号

在线客服系统