李工:138-8949-5179 刘工:135-0428-8802
型号查询
轴承型号   常见搜索: 1轴承 32313轴承 7014轴承 6030轴承 6032轴承 6021轴承
型号查询 X

轴承专区

Bearings Center

NNF 5019 ADB-2LSV轴承-SKF NNF 5019 ADB-2LSV轴承尺寸、图纸、价格

SKF NNF 5019 ADB-2LSV轴承

产品名称:NNF 5019 ADB-2LSV轴承 品牌:SKF
类型:SKF轴承 > 滚动轴承 > 圆柱滚子轴承
描述:NNF 5019 ADB-2LSV轴承是【SKF轴承 > 滚动轴承 > 圆柱滚子轴承】的型号,主要用在飞机喷气式发动机、燃汽轮机、减速装置、后轮、木工机械、石油钻机、燃机、医药设备、解体机、钢包回转台等各大领域

 电话/微信:138-8949-5179

SKF NNF 5019 ADB-2LSV轴承详细信息

NNF 5019 ADB-2LSV轴承是【SKF轴承 > 滚动轴承 > 圆柱滚子轴承】的型号,主要用在飞机喷气式发动机、燃汽轮机、减速装置、后轮、木工机械、石油钻机、燃机、医药设备、解体机、钢包回转台等各大领域。

SKF NNF 5019 ADB-2LSV轴承详细参数

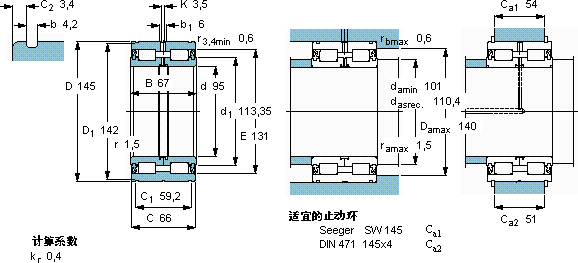
圆柱滚子轴承, 双列满装滚子, 两面密封件, 双方向轴向负荷的挡边
主要数据尺寸基本负荷额定值疲劳负荷限值额定速度体积型号
动态静态参照速度限制速度
dDBCC0Pu
mmkNkNr/minkg-
951456733057071-9003,88NNF 5019 ADB-2LSV

SKF NNF 5019 ADB-2LSV轴承尺寸图纸

李工:138-8949-5179

刘工:135-0428-8802

地址:辽宁省大连经济技术开发区现代城3栋-13-13号

在线客服系统