轴承专区
Bearings Center
NKIB 5906轴承-SKF NKIB 5906轴承尺寸、图纸、价格
SKF NKIB 5906轴承
| 产品名称: | NKIB 5906轴承 | 品牌: | SKF |
|---|---|---|---|
| 类型: | SKF轴承 > 滚动轴承 > 组合滚针轴承 | ||
| 描述: | NKIB 5906轴承是【SKF轴承 > 滚动轴承 > 组合滚针轴承】的型号,主要用在各种产业机械、离心分离机、中型及大型电动机、变速器、印刷机械、制铁制钢机械、发电厂、纺织、起重机械、塔式车库等各大领域 | ||
电话/微信:138-8949-5179
SKF NKIB 5906轴承详细信息
NKIB 5906轴承是【SKF轴承 > 滚动轴承 > 组合滚针轴承】的型号,主要用在各种产业机械、离心分离机、中型及大型电动机、变速器、印刷机械、制铁制钢机械、发电厂、纺织、起重机械、塔式车库等各大领域。
SKF NKIB 5906轴承详细参数
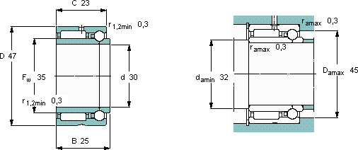
| 组合式滚针轴承, 滚针/角接触球轴承, 轴向负荷 双向 | |||||||||||||
| 主要数据尺寸 | 基本负荷额定值 | 疲劳负荷限值 | 额定速度 | 体积 | 型号 | ||||||||
| 径向 | 轴向 | 参照速度 | 限制速度 | ||||||||||
| 动态 | 静态 | 动态 | 静态 | 径向 | 轴向 | ||||||||
| d | D | B | C | C0 | C | C0 | Pu | Pu | |||||
| mm | kN | kN | r/min | kg | - | ||||||||
| 30 | 47 | 25 | 25,5 | 39 | 4,54 | 6,32 | 4,65 | 0,268 | 11000 | 13000 | 0,15 | NKIB 5906 | |
SKF NKIB 5906轴承尺寸图纸

