李工:138-8949-5179 刘工:135-0428-8802
型号查询
轴承型号   常见搜索: 6015轴承 6018轴承 6014轴承 6205轴承 6004轴承 6007轴承
型号查询 X

轴承专区

Bearings Center

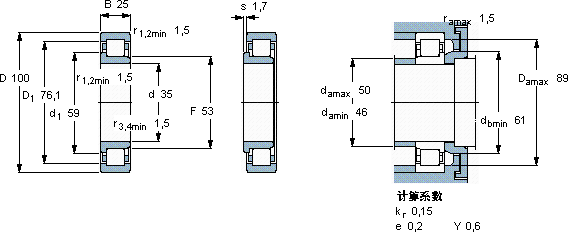
NJ 407 TN9轴承-SKF NJ 407 TN9轴承尺寸、图纸、价格

SKF NJ 407 TN9轴承

产品名称:NJ 407 TN9轴承 品牌:SKF
类型:SKF轴承 > 滚动轴承 > 圆柱滚子轴承
描述:NJ 407 TN9轴承是【SKF轴承 > 滚动轴承 > 圆柱滚子轴承】的型号,主要用在变速器、印刷机械、提升机、轧钢机辊颈、印刷机械、石油钻机转环、立式电动机、破碎、轻工机械、吹氧装置等各大领域

 电话/微信:138-8949-5179

SKF NJ 407 TN9轴承详细信息

NJ 407 TN9轴承是【SKF轴承 > 滚动轴承 > 圆柱滚子轴承】的型号,主要用在变速器、印刷机械、提升机、轧钢机辊颈、印刷机械、石油钻机转环、立式电动机、破碎、轻工机械、吹氧装置等各大领域。

SKF NJ 407 TN9轴承详细参数

圆柱滚子轴承, 单列, NJ 设计
主要数据尺寸基本负荷额定值疲劳负荷限值额定速度体积型号适宜的斜挡圈
动态静态参照速度限制速度型号
dDBCC0Pu
mmkNkNr/minkg--
351002576,569,59800095001,05NJ 407 TN9-

SKF NJ 407 TN9轴承尺寸图纸

李工:138-8949-5179

刘工:135-0428-8802

地址:辽宁省大连经济技术开发区现代城3栋-13-13号

在线客服系统