轴承专区
Bearings Center
NJ 2992 ECMA轴承-SKF NJ 2992 ECMA轴承尺寸、图纸、价格
SKF NJ 2992 ECMA轴承
| 产品名称: | NJ 2992 ECMA轴承 | 品牌: | SKF |
|---|---|---|---|
| 类型: | SKF轴承 > 滚动轴承 > 圆柱滚子轴承 | ||
| 描述: | NJ 2992 ECMA轴承是【SKF轴承 > 滚动轴承 > 圆柱滚子轴承】的型号,主要用在后轮、燃料喷射泵、挖土机履带轮、齿轮减速装置、木工机械、石油钻机、水力发电机、塑料、解体机、泥炮等各大领域 | ||
电话/微信:138-8949-5179
SKF NJ 2992 ECMA轴承详细信息
NJ 2992 ECMA轴承是【SKF轴承 > 滚动轴承 > 圆柱滚子轴承】的型号,主要用在后轮、燃料喷射泵、挖土机履带轮、齿轮减速装置、木工机械、石油钻机、水力发电机、塑料、解体机、泥炮等各大领域。
SKF NJ 2992 ECMA轴承详细参数
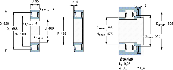
| 圆柱滚子轴承, 单列, NJ 设计 | ||||||||||||
| 主要数据尺寸 | 基本负荷额定值 | 疲劳负荷限值 | 额定速度 | 体积 | 型号 | 适宜的斜挡圈 | ||||||
| 动态 | 静态 | 参照速度 | 限制速度 | 型号 | ||||||||
| d | D | B | C | C0 | Pu | |||||||
| mm | kN | kN | r/min | kg | - | - | ||||||
| 460 | 620 | 95 | 1720 | 3600 | 310 | 1000 | 1300 | 89,0 | NJ 2992 ECMA | - | ||
SKF NJ 2992 ECMA轴承尺寸图纸

