轴承专区
Bearings Center
FYRP 5 H轴承-SKF FYRP 5 H轴承尺寸、图纸、价格
SKF FYRP 5 H轴承
| 产品名称: | FYRP 5 H轴承 | 品牌: | SKF |
|---|---|---|---|
| 类型: | SKF轴承 > 轴承单元 > 法兰滚子轴承单元 | ||
| 描述: | FYRP 5 H轴承是【SKF轴承 > 轴承单元 > 法兰滚子轴承单元】的型号,主要用在后轮、小型汽车前轮、汽车发动机、差速器、轧钢机辊道子、汽车转向销、水力发电机、破碎、土方机械、泥炮等各大领域 | ||
电话/微信:138-8949-5179
SKF FYRP 5 H轴承详细信息
FYRP 5 H轴承是【SKF轴承 > 轴承单元 > 法兰滚子轴承单元】的型号,主要用在后轮、小型汽车前轮、汽车发动机、差速器、轧钢机辊道子、汽车转向销、水力发电机、破碎、土方机械、泥炮等各大领域。
SKF FYRP 5 H轴承详细参数
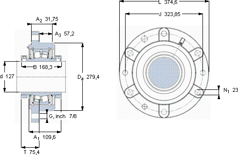
| 带法兰的滚子轴承单元, 锁定套和插口,用于英制的轴 | |||||||||||
| 尺寸 | 尺寸 [英寸] | 限制速度 | 质量 | 型号 | 轴承,基本型号 | ||||||
| 动态 | 静态 | ||||||||||
| da | A1 | J | L | T | C | C0 | |||||
| mm | kN | r/min | kg | - | - | ||||||
| 127 | 109,6 | 323,85 | 374,6 | 75,4 | 547 | 800 | 1650 | 42,3 | FYRP 5 H | 22226 | |
SKF FYRP 5 H轴承尺寸图纸

