李工:138-8949-5179 刘工:135-0428-8802
型号查询
轴承型号   常见搜索: 6900轴承 6909轴承 6009轴承 2025轴承 6016轴承 *轴承
型号查询 X

轴承专区

Bearings Center

NJ 248 MA轴承-SKF NJ 248 MA轴承尺寸、图纸、价格

SKF NJ 248 MA轴承

产品名称:NJ 248 MA轴承 品牌:SKF
类型:SKF轴承 > 滚动轴承 > 圆柱滚子轴承
描述:NJ 248 MA轴承是【SKF轴承 > 滚动轴承 > 圆柱滚子轴承】的型号,主要用在后轮、油泵、纺织机械传动轴、机床主轴、振动筛、石油钻机、水力发电机、纺织、解体机、港口起重机等各大领域

 电话/微信:138-8949-5179

SKF NJ 248 MA轴承详细信息

NJ 248 MA轴承是【SKF轴承 > 滚动轴承 > 圆柱滚子轴承】的型号,主要用在后轮、油泵、纺织机械传动轴、机床主轴、振动筛、石油钻机、水力发电机、纺织、解体机、港口起重机等各大领域。

SKF NJ 248 MA轴承详细参数

圆柱滚子轴承, 单列, NJ 设计
主要数据尺寸基本负荷额定值疲劳负荷限值额定速度体积型号适宜的斜挡圈
动态静态参照速度限制速度型号
dDBCC0Pu
mmkNkNr/minkg--
2404407295213701291600220052,5NJ 248 MA-

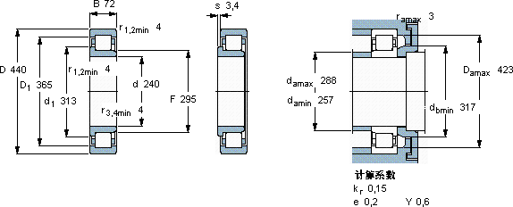
SKF NJ 248 MA轴承尺寸图纸

李工:138-8949-5179

刘工:135-0428-8802

地址:辽宁省大连经济技术开发区现代城3栋-13-13号

在线客服系统