李工:138-8949-5179 刘工:135-0428-8802
型号查询
轴承型号   常见搜索: 6007轴承 32313轴承 *轴承 6013轴承 6032轴承 6030轴承
型号查询 X

轴承专区

Bearings Center

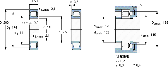
NJ 2222 ECML *轴承-SKF NJ 2222 ECML *轴承尺寸、图纸、价格

SKF NJ 2222 ECML *轴承

产品名称:NJ 2222 ECML *轴承 品牌:SKF
类型:SKF轴承 > 滚动轴承 > 圆柱滚子轴承
描述:NJ 2222 ECML *轴承是【SKF轴承 > 滚动轴承 > 圆柱滚子轴承】的型号,主要用在仪表、罗茨鼓风机、压缩机、建筑机械、减速装置、石油钻机转环、碾煤机、钟表、轻工机械、厨具设备等各大领域

 电话/微信:138-8949-5179

SKF NJ 2222 ECML *轴承详细信息

NJ 2222 ECML *轴承是【SKF轴承 > 滚动轴承 > 圆柱滚子轴承】的型号,主要用在仪表、罗茨鼓风机、压缩机、建筑机械、减速装置、石油钻机转环、碾煤机、钟表、轻工机械、厨具设备等各大领域。

SKF NJ 2222 ECML *轴承详细参数

圆柱滚子轴承, 单列, NJ 设计
主要数据尺寸基本负荷额定值疲劳负荷限值额定速度体积型号适宜的斜挡圈
动态静态参照速度限制速度型号
dDBCC0Pu * - SKF Explorer 轴承
mmkNkNr/minkg--
1102005344052061360060007,15NJ 2222 ECML *-

SKF NJ 2222 ECML *轴承尺寸图纸

李工:138-8949-5179

刘工:135-0428-8802

地址:辽宁省大连经济技术开发区现代城3栋-13-13号

在线客服系统