李工:138-8949-5179 刘工:135-0428-8802
型号查询
轴承型号   常见搜索: 6026轴承 617轴承 6205轴承 6032轴承 6007轴承 71913轴承
型号查询 X

轴承专区

Bearings Center

NA 2208.2RS轴承-SKF NA 2208.2RS轴承尺寸、图纸、价格

SKF NA 2208.2RS轴承

产品名称:NA 2208.2RS轴承 品牌:SKF
类型:SKF轴承 > 滚动轴承 > 滚轮轴承
描述:NA 2208.2RS轴承是【SKF轴承 > 滚动轴承 > 滚轮轴承】的型号,主要用在通用电动机、差速器小齿轮轴、纺织机械传动轴、小齿轮轴、轧钢机齿轮箱座、机床等的变速装置、轧钢机轧制螺杆用减速机、洗染、工程船舶、刮泥机等各大领域

 电话/微信:138-8949-5179

SKF NA 2208.2RS轴承详细信息

NA 2208.2RS轴承是【SKF轴承 > 滚动轴承 > 滚轮轴承】的型号,主要用在通用电动机、差速器小齿轮轴、纺织机械传动轴、小齿轮轴、轧钢机齿轮箱座、机床等的变速装置、轧钢机轧制螺杆用减速机、洗染、工程船舶、刮泥机等各大领域。

SKF NA 2208.2RS轴承详细参数

不带法兰圈支承滚子,有内圈
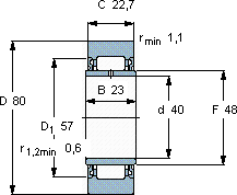
尺寸基本负荷额定值疲劳限值最大径向负荷限制速度体积型号
动态静态动态静态
DdCCC0PuFrF0r
mmkNkNkNr/minkg-
804022,727394,937,55319000,63NA 2208.2RS

SKF NA 2208.2RS轴承尺寸图纸

李工:138-8949-5179

刘工:135-0428-8802

地址:辽宁省大连经济技术开发区现代城3栋-13-13号

在线客服系统