李工:138-8949-5179 刘工:135-0428-8802
型号查询
轴承型号   常见搜索: 6032轴承 6214轴承 6021轴承 6016轴承 6002轴承 2026轴承
型号查询 X

轴承专区

Bearings Center

N 217 ECP *轴承-SKF N 217 ECP *轴承尺寸、图纸、价格

SKF N 217 ECP *轴承

产品名称:N 217 ECP *轴承 品牌:SKF
类型:SKF轴承 > 滚动轴承 > 圆柱滚子轴承
描述:N 217 ECP *轴承是【SKF轴承 > 滚动轴承 > 圆柱滚子轴承】的型号,主要用在铁路车辆、机床主轴、桥式起重机、汽车、振动筛、耕耘机、冶炼厂、纺织、平地机、机械手等各大领域

 电话/微信:138-8949-5179

SKF N 217 ECP *轴承详细信息

N 217 ECP *轴承是【SKF轴承 > 滚动轴承 > 圆柱滚子轴承】的型号,主要用在铁路车辆、机床主轴、桥式起重机、汽车、振动筛、耕耘机、冶炼厂、纺织、平地机、机械手等各大领域。

SKF N 217 ECP *轴承详细参数

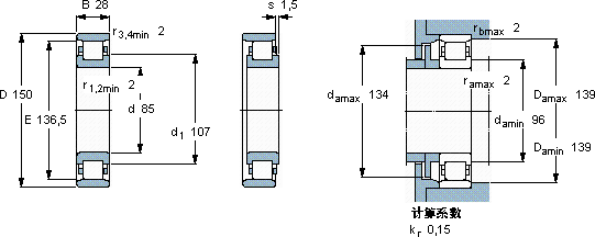
圆柱滚子轴承, 单列, N 设计
主要数据尺寸基本负荷额定值疲劳负荷限值额定速度体积型号适宜的斜挡圈
动态静态参照速度限制速度型号
dDBCC0Pu * - SKF Explorer 轴承
mmkNkNr/minkg--
851502819020024,5480053001,90N 217 ECP *-

SKF N 217 ECP *轴承尺寸图纸

李工:138-8949-5179

刘工:135-0428-8802

地址:辽宁省大连经济技术开发区现代城3栋-13-13号

在线客服系统