轴承专区
Bearings Center
LL 582949/910 B/HA1轴承-SKF LL 582949/910 B/HA1轴承尺寸、图纸、价格
SKF LL 582949/910 B/HA1轴承
| 产品名称: | LL 582949/910 B/HA1轴承 | 品牌: | SKF |
|---|---|---|---|
| 类型: | SKF轴承 > 滚动轴承 > 圆锥滚子轴承 | ||
| 描述: | LL 582949/910 B/HA1轴承是【SKF轴承 > 滚动轴承 > 圆锥滚子轴承】的型号,主要用在仪表、罗茨鼓风机、燃汽轮机、建筑机械、各类产业用减速机、石油钻机转环、碾煤机、医药设备、凿岩机械、厨具设备等各大领域 | ||
电话/微信:138-8949-5179
SKF LL 582949/910 B/HA1轴承详细信息
LL 582949/910 B/HA1轴承是【SKF轴承 > 滚动轴承 > 圆锥滚子轴承】的型号,主要用在仪表、罗茨鼓风机、燃汽轮机、建筑机械、各类产业用减速机、石油钻机转环、碾煤机、医药设备、凿岩机械、厨具设备等各大领域。
SKF LL 582949/910 B/HA1轴承详细参数
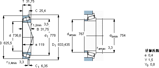
| 圆锥滚子轴承, 单列, 英制轴承, 外圈有挡边 | ||||||||||
| 主要数据尺寸 | 基本负荷额定值 | 疲劳负荷限值 | 额定速度 | 体积 | 型号 | |||||
| 动态 | 静态 | 参照速度 | 限制速度 | |||||||
| d | D | T | C | C0 | Pu | |||||
| mm | kN | kN | r/min | kg | - | |||||
| 736,6 | 825,5 | 31,75 | 429 | 1370 | 91,5 | 400 | 600 | 22,5 | LL 582949/910 B/HA1 | |
SKF LL 582949/910 B/HA1轴承尺寸图纸

