李工:138-8949-5179 刘工:135-0428-8802
型号查询
轴承型号   常见搜索: 6026轴承 6214轴承 6010轴承 6909轴承 6019轴承 6013轴承
型号查询 X

轴承专区

Bearings Center

BC2B 326495 A/HB1轴承-SKF BC2B 326495 A/HB1轴承尺寸、图纸、价格

SKF BC2B 326495 A/HB1轴承

产品名称:BC2B 326495 A/HB1轴承 品牌:SKF
类型:SKF轴承 > 滚动轴承 > 多辊式轧钢机支承轴承
描述:BC2B 326495 A/HB1轴承是【SKF轴承 > 滚动轴承 > 多辊式轧钢机支承轴承】的型号,主要用在电气装置部件、空气压缩机、纺织机械传动轴、大型农业机械、木工机械、汽车转向销、船舶用螺旋桨轴、精细化工机械、土方机械、风力发电设备等各大领域

 电话/微信:138-8949-5179

SKF BC2B 326495 A/HB1轴承详细信息

BC2B 326495 A/HB1轴承是【SKF轴承 > 滚动轴承 > 多辊式轧钢机支承轴承】的型号,主要用在电气装置部件、空气压缩机、纺织机械传动轴、大型农业机械、木工机械、汽车转向销、船舶用螺旋桨轴、精细化工机械、土方机械、风力发电设备等各大领域。

SKF BC2B 326495 A/HB1轴承详细参数

用于多辊轧机的背辊轴承, 用于多辊轧机的背辊轴承
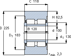
主要数据尺寸基本负荷额定值最大径向负荷体积型号
滚子
动态静态动态静态
DdBCHCC0FrF0r
mmkNkNkg-
22510012011862,561681538055026,1BC2B 326495 A/HB1

SKF BC2B 326495 A/HB1轴承尺寸图纸

李工:138-8949-5179

刘工:135-0428-8802

地址:辽宁省大连经济技术开发区现代城3栋-13-13号

在线客服系统