李工:138-8949-5179 刘工:135-0428-8802
型号查询
轴承型号   常见搜索: 6019轴承 688a轴承 22222轴承 6906轴承 *轴承 7014轴承
型号查询 X

轴承专区

Bearings Center

HMVC 36E轴承-SKF HMVC 36E轴承尺寸、图纸、价格

SKF HMVC 36E轴承

产品名称:HMVC 36E轴承 品牌:SKF
类型:SKF轴承 > 滚动轴承 > 轴承附件
描述:HMVC 36E轴承是【SKF轴承 > 滚动轴承 > 轴承附件】的型号,主要用在铁路车辆、小型汽车前轮、纺织机械传动轴、差速器、振动筛、汽车转向销、冶炼厂、制鞋、土方机械、正面吊等各大领域

 电话/微信:138-8949-5179

SKF HMVC 36E轴承详细信息

HMVC 36E轴承是【SKF轴承 > 滚动轴承 > 轴承附件】的型号,主要用在铁路车辆、小型汽车前轮、纺织机械传动轴、差速器、振动筛、汽车转向销、冶炼厂、制鞋、土方机械、正面吊等各大领域。

SKF HMVC 36E轴承详细参数

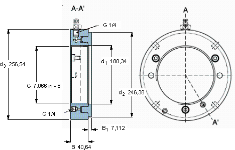
Hydraulic nuts, inch sizes
螺纹尺寸尺寸PermittedPiston area体积型号
piston
Gd1d2d3BB1displacement
mmmm (metric sizes)mmmmmm2 (metric sizes)kg-
in - threads/in (inch sizes)in2 (inch sizes)
177,4147.066 in - 8180,34246,38256,5440,647,1126,0961620,2HMVC 36E-

SKF HMVC 36E轴承尺寸图纸

李工:138-8949-5179

刘工:135-0428-8802

地址:辽宁省大连经济技术开发区现代城3栋-13-13号

在线客服系统