李工:138-8949-5179 刘工:135-0428-8802
型号查询
轴承型号   常见搜索: 6018轴承 6214轴承 6016轴承 6022轴承 2026轴承 6005轴承
型号查询 X

轴承专区

Bearings Center

HMVC 112E轴承-SKF HMVC 112E轴承尺寸、图纸、价格

SKF HMVC 112E轴承

产品名称:HMVC 112E轴承 品牌:SKF
类型:SKF轴承 > 滚动轴承 > 轴承附件
描述:HMVC 112E轴承是【SKF轴承 > 滚动轴承 > 轴承附件】的型号,主要用在变速器、罗茨鼓风机、压缩机、建筑机械、各类产业用减速机、石油钻机转环、立式电动机、钟表、轻工机械、正面吊等各大领域

 电话/微信:138-8949-5179

SKF HMVC 112E轴承详细信息

HMVC 112E轴承是【SKF轴承 > 滚动轴承 > 轴承附件】的型号,主要用在变速器、罗茨鼓风机、压缩机、建筑机械、各类产业用减速机、石油钻机转环、立式电动机、钟表、轻工机械、正面吊等各大领域。

SKF HMVC 112E轴承详细参数

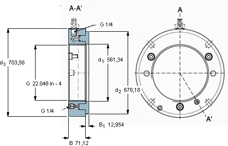
Hydraulic nuts, inch sizes
螺纹尺寸尺寸PermittedPiston area体积型号
piston
Gd1d2d3BB1displacement
mmmm (metric sizes)mmmmmm2 (metric sizes)kg-
in - threads/in (inch sizes)in2 (inch sizes)
556,33622.048 in - 4561,34678,18703,5871,1212,95422,09894,9194HMVC 112E-

SKF HMVC 112E轴承尺寸图纸

李工:138-8949-5179

刘工:135-0428-8802

地址:辽宁省大连经济技术开发区现代城3栋-13-13号

在线客服系统