李工:138-8949-5179 刘工:135-0428-8802
型号查询
轴承型号   常见搜索: 32313轴承 6026轴承 6309轴承 1轴承 617轴承 6020轴承
型号查询 X

轴承专区

Bearings Center

HMVC 100E轴承-SKF HMVC 100E轴承尺寸、图纸、价格

SKF HMVC 100E轴承

产品名称:HMVC 100E轴承 品牌:SKF
类型:SKF轴承 > 滚动轴承 > 轴承附件
描述:HMVC 100E轴承是【SKF轴承 > 滚动轴承 > 轴承附件】的型号,主要用在建筑机械、印刷机械、燃汽轮机、轧钢机辊颈、减速装置、石油钻机转环、成形机、医药设备、凿岩机械、焊接机器人等各大领域

 电话/微信:138-8949-5179

SKF HMVC 100E轴承详细信息

HMVC 100E轴承是【SKF轴承 > 滚动轴承 > 轴承附件】的型号,主要用在建筑机械、印刷机械、燃汽轮机、轧钢机辊颈、减速装置、石油钻机转环、成形机、医药设备、凿岩机械、焊接机器人等各大领域。

SKF HMVC 100E轴承详细参数

Hydraulic nuts, inch sizes
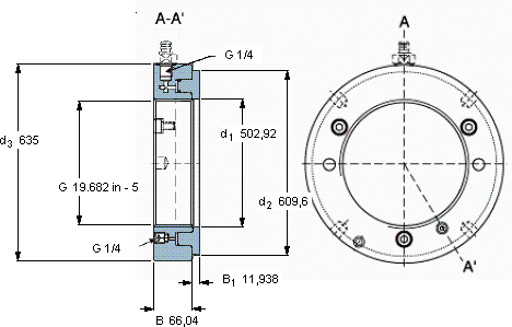
螺纹尺寸尺寸PermittedPiston area体积型号
piston
Gd1d2d3BB1displacement
mmmm (metric sizes)mmmmmm2 (metric sizes)kg-
in - threads/in (inch sizes)in2 (inch sizes)
496,87519.682 in - 5502,92609,663566,0411,93819,0579,8154HMVC100E-

SKF HMVC 100E轴承尺寸图纸

李工:138-8949-5179

刘工:135-0428-8802

地址:辽宁省大连经济技术开发区现代城3栋-13-13号

在线客服系统