轴承专区
Bearings Center
81115 TN轴承-SKF 81115 TN轴承尺寸、图纸、价格
SKF 81115 TN轴承
| 产品名称: | 81115 TN轴承 | 品牌: | SKF |
|---|---|---|---|
| 类型: | SKF轴承 > 滚动轴承 > 圆柱滚子推力轴承 | ||
| 描述: | 81115 TN轴承是【SKF轴承 > 滚动轴承 > 圆柱滚子推力轴承】的型号,主要用在燃汽轮机、罗茨鼓风机、变速器、建筑机械、破碎机、制铁制钢机械、电机厂、制鞋、起重机械、码垛机器人等各大领域 | ||
电话/微信:138-8949-5179
SKF 81115 TN轴承详细信息
81115 TN轴承是【SKF轴承 > 滚动轴承 > 圆柱滚子推力轴承】的型号,主要用在燃汽轮机、罗茨鼓风机、变速器、建筑机械、破碎机、制铁制钢机械、电机厂、制鞋、起重机械、码垛机器人等各大领域。
SKF 81115 TN轴承详细参数
| 圆柱滚子推力轴承, 轴承 / 圆柱滚子和保持架止推组件 | ||||||||||||
| 主要数据尺寸 | 基本负荷额定值 | 疲劳负荷限值 | 最小负荷系数 | 额定速度 | 体积 | 型号 | ||||||
| 动态 | 静态 | 参照速度 | 限制速度 | 轴承 | 圆柱滚子和保持架止推组件 | |||||||
| d | D | H | C | C0 | Pu | A | ||||||
| mm | kN | kN | - | r/min | kg | - | ||||||
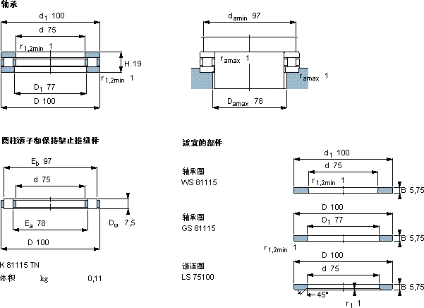
| 75 | 100 | 19 | 83 | 335 | 34 | 0,0067 | 1600 | 3200 | 0,39 | 81115 TN | K 81115 TN | |
SKF 81115 TN轴承尺寸图纸

