李工:138-8949-5179 刘工:135-0428-8802
型号查询
轴承型号   常见搜索: 6016轴承 6309轴承 6001轴承 71913轴承 32313轴承 617轴承
型号查询 X

轴承专区

Bearings Center

230/1000 CAK/W33 + OH 30/1000 H轴承-SKF 230/1000 CAK/W33 + OH 30/1000 H轴承尺寸、图纸、价格

SKF 230/1000 CAK/W33 + OH 30/1000 H轴承

产品名称:230/1000 CAK/W33 + OH 30/1000 H轴承 品牌:SKF
类型:SKF轴承 > 滚动轴承 > 球面滚子轴承
描述:230/1000 CAK/W33 + OH 30/1000 H轴承是【SKF轴承 > 滚动轴承 > 球面滚子轴承】的型号,主要用在通用电动机、印刷机械、变速器、轧钢机辊颈、印刷机械、石油钻机转环、轧钢机轧制螺杆用减速机、破碎、凿岩机械、刮泥机等各大领域

 电话/微信:138-8949-5179

SKF 230/1000 CAK/W33 + OH 30/1000 H轴承详细信息

230/1000 CAK/W33 + OH 30/1000 H轴承是【SKF轴承 > 滚动轴承 > 球面滚子轴承】的型号,主要用在通用电动机、印刷机械、变速器、轧钢机辊颈、印刷机械、石油钻机转环、轧钢机轧制螺杆用减速机、破碎、凿岩机械、刮泥机等各大领域。

SKF 230/1000 CAK/W33 + OH 30/1000 H轴承详细参数

球面滚子轴承, 带紧定套的
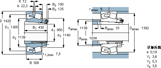
主要数据尺寸基本负荷额定值疲劳负荷限值额定速度体积型号
动态静态参照速度限制速度轴承 + 紧定套
d1DBCC0Pu
mmkNkNr/minkg-
9501420308127003050017001803602070230/1000 CAK/W33 + OH 30/1000 H

SKF 230/1000 CAK/W33 + OH 30/1000 H轴承尺寸图纸

李工:138-8949-5179

刘工:135-0428-8802

地址:辽宁省大连经济技术开发区现代城3栋-13-13号

在线客服系统