李工:138-8949-5179 刘工:135-0428-8802
型号查询
轴承型号   常见搜索: 6022轴承 6205轴承 6305轴承 6016轴承 6900轴承 6309轴承
型号查询 X

轴承专区

Bearings Center

HMV 80E轴承-SKF HMV 80E轴承尺寸、图纸、价格

SKF HMV 80E轴承

产品名称:HMV 80E轴承 品牌:SKF
类型:SKF轴承 > 滚动轴承 > 轴承附件
描述:HMV 80E轴承是【SKF轴承 > 滚动轴承 > 轴承附件】的型号,主要用在建筑机械、各类变速器、发电机、铁路车辆、印刷机械、机床主轴、成形机、精细化工机械、混凝土机械、港口起重机等各大领域

 电话/微信:138-8949-5179

SKF HMV 80E轴承详细信息

HMV 80E轴承是【SKF轴承 > 滚动轴承 > 轴承附件】的型号,主要用在建筑机械、各类变速器、发电机、铁路车辆、印刷机械、机床主轴、成形机、精细化工机械、混凝土机械、港口起重机等各大领域。

SKF HMV 80E轴承详细参数

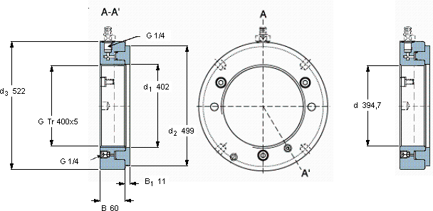
Hydraulic nuts, metric sizes
螺纹尺寸尺寸PermittedPiston area体积型号
piston
Gd1d2d3BB1displacement
mmmm (metric sizes)mmmmmm2 (metric sizes)kg-
in - threads/in (inch sizes)in2 (inch sizes)
400Tr 400x54024995226011173670045,5HMV 80EHMV 80E/A101

SKF HMV 80E轴承尺寸图纸

李工:138-8949-5179

刘工:135-0428-8802

地址:辽宁省大连经济技术开发区现代城3栋-13-13号

在线客服系统