轴承专区
Bearings Center
HMV 69E轴承-SKF HMV 69E轴承尺寸、图纸、价格
SKF HMV 69E轴承
| 产品名称: | HMV 69E轴承 | 品牌: | SKF |
|---|---|---|---|
| 类型: | SKF轴承 > 滚动轴承 > 轴承附件 | ||
| 描述: | HMV 69E轴承是【SKF轴承 > 滚动轴承 > 轴承附件】的型号,主要用在各种产业机械、印刷机械、汽车发动机、轧钢机辊颈、印刷机械、石油钻机转环、发电厂、音像设备、轻工机械、雷达等各大领域 | ||
电话/微信:138-8949-5179
SKF HMV 69E轴承详细信息
HMV 69E轴承是【SKF轴承 > 滚动轴承 > 轴承附件】的型号,主要用在各种产业机械、印刷机械、汽车发动机、轧钢机辊颈、印刷机械、石油钻机转环、发电厂、音像设备、轻工机械、雷达等各大领域。
SKF HMV 69E轴承详细参数
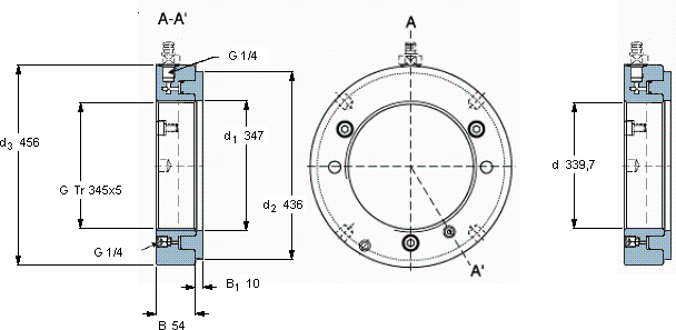
| Hydraulic nuts, metric sizes | ||||||||||||
| 螺纹尺寸 | 尺寸 | Permitted | Piston area | 体积 | 型号 | |||||||
| piston | ||||||||||||
| G | d1 | d2 | d3 | B | B1 | displacement | ||||||
| mm | mm (metric sizes) | mm | mm | mm2 (metric sizes) | kg | - | ||||||
| in - threads/in (inch sizes) | in2 (inch sizes) | |||||||||||
| 345 | Tr 345x5 | 347 | 436 | 456 | 54 | 10 | 14 | 29400 | 32,5 | HMV 69E | HMV 69E/A101 | |
SKF HMV 69E轴承尺寸图纸

