李工:138-8949-5179 刘工:135-0428-8802
型号查询
轴承型号   常见搜索: 6013轴承 6003轴承 71913轴承 23136轴承 6021轴承 6005轴承
型号查询 X

轴承专区

Bearings Center

HMV 13E轴承-SKF HMV 13E轴承尺寸、图纸、价格

SKF HMV 13E轴承

产品名称:HMV 13E轴承 品牌:SKF
类型:SKF轴承 > 滚动轴承 > 轴承附件
描述:HMV 13E轴承是【SKF轴承 > 滚动轴承 > 轴承附件】的型号,主要用在燃汽轮机、离心分离机、发电机、变速器、各类产业用减速机、制铁制钢机械、电机厂、音像设备、起重机械、抓钢机等各大领域

 电话/微信:138-8949-5179

SKF HMV 13E轴承详细信息

HMV 13E轴承是【SKF轴承 > 滚动轴承 > 轴承附件】的型号,主要用在燃汽轮机、离心分离机、发电机、变速器、各类产业用减速机、制铁制钢机械、电机厂、音像设备、起重机械、抓钢机等各大领域。

SKF HMV 13E轴承详细参数

Hydraulic nuts, metric sizes
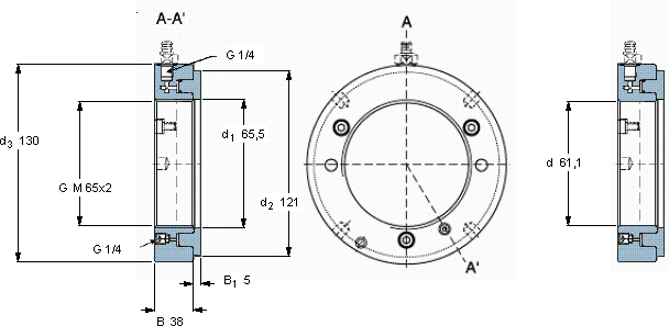
螺纹尺寸尺寸PermittedPiston area体积型号
piston
Gd1d2d3BB1displacement
mmmm (metric sizes)mmmmmm2 (metric sizes)kg-
in - threads/in (inch sizes)in2 (inch sizes)
65M 65x265,5121130385536003,00HMV 13EHMV 13E/A101

SKF HMV 13E轴承尺寸图纸

李工:138-8949-5179

刘工:135-0428-8802

地址:辽宁省大连经济技术开发区现代城3栋-13-13号

在线客服系统