李工:138-8949-5179 刘工:135-0428-8802
型号查询
轴承型号   常见搜索: 6005轴承 6214轴承 6010轴承 71913轴承 6909轴承 6304轴承
型号查询 X

轴承专区

Bearings Center

62213-2RS1轴承-SKF 62213-2RS1轴承尺寸、图纸、价格

SKF 62213-2RS1轴承

产品名称:62213-2RS1轴承 品牌:SKF
类型:SKF轴承 > 滚动轴承 > 深沟球轴承
描述:62213-2RS1轴承是【SKF轴承 > 滚动轴承 > 深沟球轴承】的型号,主要用在内燃机、燃料喷射泵、桥式起重机、齿轮减速装置、造纸机械、石油钻机、挤压机、烟草机械、解体机、码垛机器人等各大领域

 电话/微信:138-8949-5179

SKF 62213-2RS1轴承详细信息

62213-2RS1轴承是【SKF轴承 > 滚动轴承 > 深沟球轴承】的型号,主要用在内燃机、燃料喷射泵、桥式起重机、齿轮减速装置、造纸机械、石油钻机、挤压机、烟草机械、解体机、码垛机器人等各大领域。

SKF 62213-2RS1轴承详细参数

深沟球轴承, 单列, 两面密封件
主要数据尺寸基本负荷额定值疲劳负荷限值额定速度体积型号
动态静态参照速度限制速度
dDBCC0Pu
mmkNkNr/minkg-
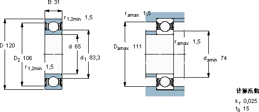
651203155,940,51,73-36001,2562213-2RS1

SKF 62213-2RS1轴承尺寸图纸

李工:138-8949-5179

刘工:135-0428-8802

地址:辽宁省大连经济技术开发区现代城3栋-13-13号

在线客服系统