轴承专区
Bearings Center
FYT 1.1/8 RM轴承-SKF FYT 1.1/8 RM轴承尺寸、图纸、价格
SKF FYT 1.1/8 RM轴承
| 产品名称: | FYT 1.1/8 RM轴承 | 品牌: | SKF |
|---|---|---|---|
| 类型: | SKF轴承 > 轴承单元 > Y-轴承法兰单元 | ||
| 描述: | FYT 1.1/8 RM轴承是【SKF轴承 > 轴承单元 > Y-轴承法兰单元】的型号,主要用在变速器、高频马达、纺织机械传动轴、前轮、破碎机、机床等的变速装置、立式电动机、电子、工程船舶、正面吊等各大领域 | ||
电话/微信:138-8949-5179
SKF FYT 1.1/8 RM轴承详细信息
FYT 1.1/8 RM轴承是【SKF轴承 > 轴承单元 > Y-轴承法兰单元】的型号,主要用在变速器、高频马达、纺织机械传动轴、前轮、破碎机、机床等的变速装置、立式电动机、电子、工程船舶、正面吊等各大领域。
SKF FYT 1.1/8 RM轴承详细参数
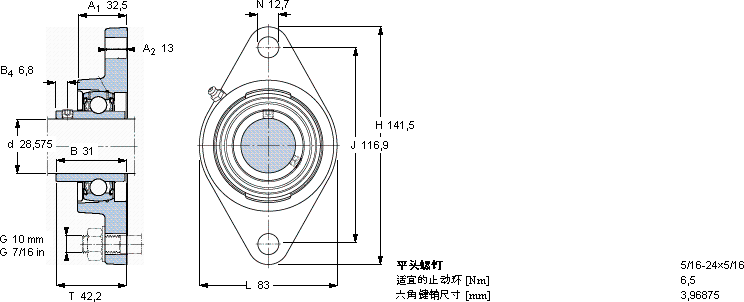
| Y-型轴承带法兰单元, 椭圆形铸造轴承座,平头螺钉锁定, 英制轴承 | ||||||||||||
| 尺寸 | 基本负荷额定值 | 限制速度 | 质量 | 型号 | ||||||||
| 动态 | 静态 | 轴承单元 | 轴承座 | 轴承 | ||||||||
| d | A1 | J | L | T | C | C0 | 带轴公差h6 | |||||
| mm | kN | r/min | kg | - | ||||||||
| 28,575 | 32,5 | 116,9 | 83 | 42,2 | 19,5 | 11,2 | 6300 | 0,9 | FYT 1.1/8 RM | FYT 506 U | YAT 206-102 | |
SKF FYT 1.1/8 RM轴承尺寸图纸

