轴承专区
Bearings Center
7409 BGBM轴承-SKF 7409 BGBM轴承尺寸、图纸、价格
SKF 7409 BGBM轴承
| 产品名称: | 7409 BGBM轴承 | 品牌: | SKF |
|---|---|---|---|
| 类型: | SKF轴承 > 滚动轴承 > 角接触球轴承 | ||
| 描述: | 7409 BGBM轴承是【SKF轴承 > 滚动轴承 > 角接触球轴承】的型号,主要用在通用电动机、差速器小齿轮轴、发电机、小齿轮轴、印刷机械、机床等的变速装置、轧钢机轧制螺杆用减速机、音像设备、压路机、刮泥机等各大领域 | ||
电话/微信:138-8949-5179
SKF 7409 BGBM轴承详细信息
7409 BGBM轴承是【SKF轴承 > 滚动轴承 > 角接触球轴承】的型号,主要用在通用电动机、差速器小齿轮轴、发电机、小齿轮轴、印刷机械、机床等的变速装置、轧钢机轧制螺杆用减速机、音像设备、压路机、刮泥机等各大领域。
SKF 7409 BGBM轴承详细参数
| 角接触球轴承, 单列 | |||||||||||
| 主要数据尺寸 | 尺寸 [英寸] | 疲劳负荷限值 | 额定速度 | 体积 | 型号 | ||||||
| 动态 | 静态 | 参照速度 | 限制速度 | ||||||||
| d | D | B | C | C0 | Pu | ||||||
| mm | kN | kN | r/min | kg | - | ||||||
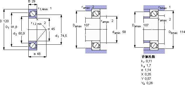
| 45 | 120 | 29 | 85,2 | 55 | 2,36 | 7000 | 7500 | 1,80 | 7409 BGBM | ||
SKF 7409 BGBM轴承尺寸图纸

