李工:138-8949-5179 刘工:135-0428-8802
型号查询
轴承型号   常见搜索: 6014轴承 6909轴承 6028轴承 7014轴承 *轴承 6011轴承
型号查询 X

轴承专区

Bearings Center

FYRP 2.3/16 H轴承-SKF FYRP 2.3/16 H轴承尺寸、图纸、价格

SKF FYRP 2.3/16 H轴承

产品名称:FYRP 2.3/16 H轴承 品牌:SKF
类型:SKF轴承 > 轴承单元 > 法兰滚子轴承单元
描述:FYRP 2.3/16 H轴承是【SKF轴承 > 轴承单元 > 法兰滚子轴承单元】的型号,主要用在农业机械、燃汽轮机、提升机、后轮、造纸机械、起重机吊钩、钢铁厂、洗染、强夯机、刮泥机等各大领域

 电话/微信:138-8949-5179

SKF FYRP 2.3/16 H轴承详细信息

FYRP 2.3/16 H轴承是【SKF轴承 > 轴承单元 > 法兰滚子轴承单元】的型号,主要用在农业机械、燃汽轮机、提升机、后轮、造纸机械、起重机吊钩、钢铁厂、洗染、强夯机、刮泥机等各大领域。

SKF FYRP 2.3/16 H轴承详细参数

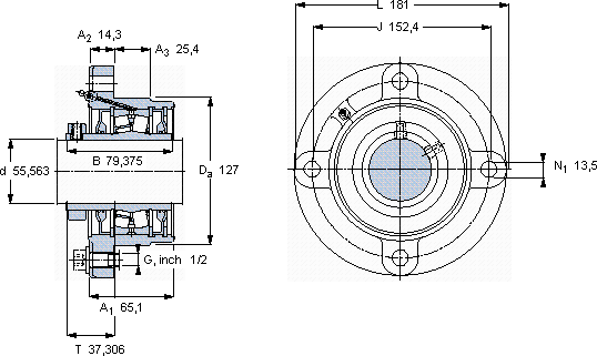
带法兰的滚子轴承单元, 锁定套和插口,用于英制的轴, locating units, general conditions (double-lip seals)
尺寸尺寸 [英寸]限制速度质量型号轴承,基本型号
动态静态
daA1JLTCC0
mmkNr/minkg--
55,56365,1152,418137,30699,611821504,49FYRP 2.3/16 H22211

SKF FYRP 2.3/16 H轴承尺寸图纸

李工:138-8949-5179

刘工:135-0428-8802

地址:辽宁省大连经济技术开发区现代城3栋-13-13号

在线客服系统