轴承专区
Bearings Center
W 6208轴承-SKF W 6208轴承尺寸、图纸、价格
SKF W 6208轴承
| 产品名称: | W 6208轴承 | 品牌: | SKF |
|---|---|---|---|
| 类型: | SKF轴承 > 滚动轴承 > 深沟球轴承 | ||
| 描述: | W 6208轴承是【SKF轴承 > 滚动轴承 > 深沟球轴承】的型号,主要用在装卸搬运机械、离心分离机、挖土机履带轮、变速器、破碎机、制铁制钢机械、矿山、陶瓷机械、堆取料机、摩天轮等各大领域 | ||
电话/微信:138-8949-5179
SKF W 6208轴承详细信息
W 6208轴承是【SKF轴承 > 滚动轴承 > 深沟球轴承】的型号,主要用在装卸搬运机械、离心分离机、挖土机履带轮、变速器、破碎机、制铁制钢机械、矿山、陶瓷机械、堆取料机、摩天轮等各大领域。
SKF W 6208轴承详细参数
| 深沟球轴承, 单列,不锈钢, 无密封件 | ||||||||||
| 主要数据尺寸 | 基本负荷额定值 | 疲劳负荷限值 | 额定速度 | 体积 | 型号 | |||||
| 动态 | 静态 | 参照速度 | 限制速度 | |||||||
| d | D | B | C | C0 | Pu | |||||
| mm | kN | kN | r/min | kg | - | |||||
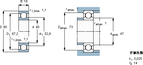
| 40 | 80 | 18 | 24,7 | 17,3 | 0,75 | 18000 | 11000 | 0,37 | W 6208 | |
SKF W 6208轴承尺寸图纸

