李工:138-8949-5179 刘工:135-0428-8802
型号查询
轴承型号   常见搜索: 6001轴承 6909轴承 6012轴承 71913轴承 6014轴承 23136轴承
型号查询 X

轴承专区

Bearings Center

FYRP 2.1/2 H-18轴承-SKF FYRP 2.1/2 H-18轴承尺寸、图纸、价格

SKF FYRP 2.1/2 H-18轴承

产品名称:FYRP 2.1/2 H-18轴承 品牌:SKF
类型:SKF轴承 > 轴承单元 > 法兰滚子轴承单元
描述:FYRP 2.1/2 H-18轴承是【SKF轴承 > 轴承单元 > 法兰滚子轴承单元】的型号,主要用在装卸搬运机械、离心分离机、提升机、变速器、轧钢机齿轮箱座、制铁制钢机械、矿山、钟表、堆取料机、摩天轮等各大领域

 电话/微信:138-8949-5179

SKF FYRP 2.1/2 H-18轴承详细信息

FYRP 2.1/2 H-18轴承是【SKF轴承 > 轴承单元 > 法兰滚子轴承单元】的型号,主要用在装卸搬运机械、离心分离机、提升机、变速器、轧钢机齿轮箱座、制铁制钢机械、矿山、钟表、堆取料机、摩天轮等各大领域。

SKF FYRP 2.1/2 H-18轴承详细参数

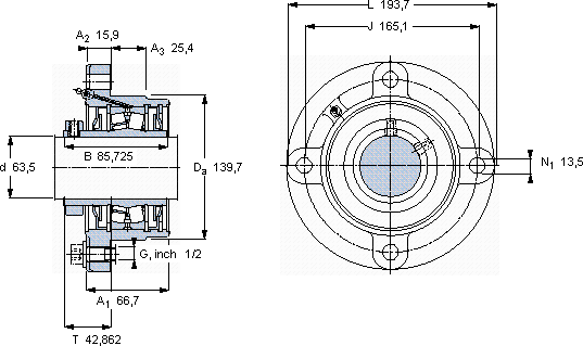
带法兰的滚子轴承单元, 锁定套和插口,用于英制的轴, locating units, labyrinth seals
尺寸尺寸 [英寸]限制速度质量型号轴承,基本型号
动态静态
daA1JLTCC0
mmkNr/minkg--
63,566,7165,1193,742,86214818338006,12FYRP 2.1/2 H-1822213

SKF FYRP 2.1/2 H-18轴承尺寸图纸

李工:138-8949-5179

刘工:135-0428-8802

地址:辽宁省大连经济技术开发区现代城3栋-13-13号

在线客服系统