李工:138-8949-5179 刘工:135-0428-8802
型号查询
轴承型号   常见搜索: 22222轴承 6010轴承 6012轴承 6008轴承 688a轴承 6906轴承
型号查询 X

轴承专区

Bearings Center

FYJ 1.3/4 TF轴承-SKF FYJ 1.3/4 TF轴承尺寸、图纸、价格

SKF FYJ 1.3/4 TF轴承

产品名称:FYJ 1.3/4 TF轴承 品牌:SKF
类型:SKF轴承 > 轴承单元 > Y-轴承法兰单元
描述:FYJ 1.3/4 TF轴承是【SKF轴承 > 轴承单元 > Y-轴承法兰单元】的型号,主要用在家用电器、小型汽车前轮、减速装置、差速器、造纸机械、汽车转向销、塔吊、烟草机械、掘进机、冶金起重机等各大领域

 电话/微信:138-8949-5179

SKF FYJ 1.3/4 TF轴承详细信息

FYJ 1.3/4 TF轴承是【SKF轴承 > 轴承单元 > Y-轴承法兰单元】的型号,主要用在家用电器、小型汽车前轮、减速装置、差速器、造纸机械、汽车转向销、塔吊、烟草机械、掘进机、冶金起重机等各大领域。

SKF FYJ 1.3/4 TF轴承详细参数

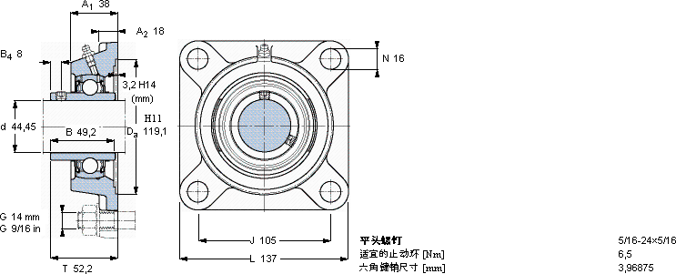
Y-型轴承带法兰单元, 方形铸造轴承座,平头螺钉锁定, 英制轴承
尺寸基本负荷额定值限制速度质量型号
动态静态轴承单元轴承座轴承
dA1JLTCC0带轴公差h6
mmkNr/minkg-
44,453810513752,233,221,643002,5FYJ 1.3/4 TFFYJ 509YAR 209-112-2F

SKF FYJ 1.3/4 TF轴承尺寸图纸

李工:138-8949-5179

刘工:135-0428-8802

地址:辽宁省大连经济技术开发区现代城3栋-13-13号

在线客服系统