轴承专区
Bearings Center
FYC 20 TF轴承-SKF FYC 20 TF轴承尺寸、图纸、价格
SKF FYC 20 TF轴承
| 产品名称: | FYC 20 TF轴承 | 品牌: | SKF |
|---|---|---|---|
| 类型: | SKF轴承 > 轴承单元 > Y-轴承法兰单元 | ||
| 描述: | FYC 20 TF轴承是【SKF轴承 > 轴承单元 > Y-轴承法兰单元】的型号,主要用在燃汽轮机、差速器小齿轮轴、泵、小齿轮轴、各类产业用减速机、机床主轴、电机厂、烟草机械、混凝土机械、数控设备等各大领域 | ||
电话/微信:138-8949-5179
SKF FYC 20 TF轴承详细信息
FYC 20 TF轴承是【SKF轴承 > 轴承单元 > Y-轴承法兰单元】的型号,主要用在燃汽轮机、差速器小齿轮轴、泵、小齿轮轴、各类产业用减速机、机床主轴、电机厂、烟草机械、混凝土机械、数控设备等各大领域。
SKF FYC 20 TF轴承详细参数
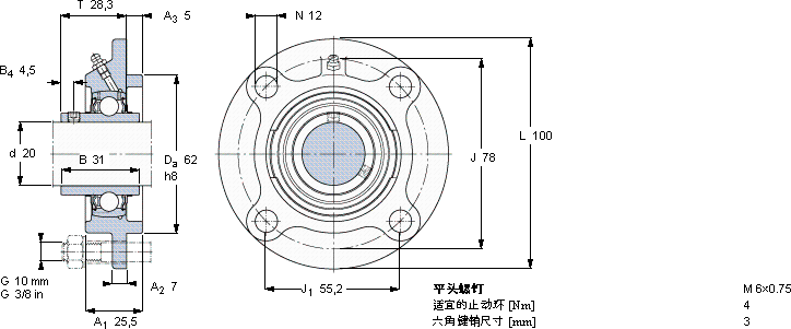
| Y-型轴承带法兰单元, 圆形铸造轴承座,平头螺钉锁定 | ||||||||||||
| 尺寸 | 基本负荷额定值 | 限制速度 | 质量 | 型号 | ||||||||
| 动态 | 静态 | 轴承单元 | 轴承座 | 轴承 | ||||||||
| d | A1 | J | L | T | C | C0 | 带轴公差h6 | |||||
| mm | kN | r/min | kg | - | ||||||||
| 20 | 25,5 | 78 | 100 | 28,3 | 12,7 | 6,55 | 8500 | 0,70 | FYC 20 TF | FYC 504 | YAR 204-2F | |
SKF FYC 20 TF轴承尺寸图纸

