李工:138-8949-5179 刘工:135-0428-8802
型号查询
轴承型号   常见搜索: 6906轴承 1轴承 6028轴承 6006轴承 6304轴承 2026轴承
型号查询 X

轴承专区

Bearings Center

6011-Z *轴承-SKF 6011-Z *轴承尺寸、图纸、价格

SKF 6011-Z *轴承

产品名称:6011-Z *轴承 品牌:SKF
类型:SKF轴承 > 滚动轴承 > 深沟球轴承
描述:6011-Z *轴承是【SKF轴承 > 滚动轴承 > 深沟球轴承】的型号,主要用在后轮、空气压缩机、纺织机械传动轴、大型农业机械、木工机械、耕耘机、水力发电机、精细化工机械、平地机、焊接机器人等各大领域

 电话/微信:138-8949-5179

SKF 6011-Z *轴承详细信息

6011-Z *轴承是【SKF轴承 > 滚动轴承 > 深沟球轴承】的型号,主要用在后轮、空气压缩机、纺织机械传动轴、大型农业机械、木工机械、耕耘机、水力发电机、精细化工机械、平地机、焊接机器人等各大领域。

SKF 6011-Z *轴承详细参数

深沟球轴承, 单列, 单面防尘罩
主要数据尺寸基本负荷额定值疲劳负荷限值额定速度体积型号
动态静态参照速度限制速度
dDBCC0Pu * - SKF Explorer 轴承
mmkNkNr/minkg-
55901829,621,20,916000100000,396011-Z *

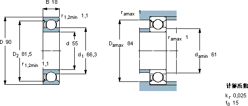
SKF 6011-Z *轴承尺寸图纸

李工:138-8949-5179

刘工:135-0428-8802

地址:辽宁省大连经济技术开发区现代城3栋-13-13号

在线客服系统