李工:138-8949-5179 刘工:135-0428-8802
型号查询
轴承型号   常见搜索: 6024轴承 2025轴承 6002轴承 6012轴承 1轴承 6009轴承
型号查询 X

轴承专区

Bearings Center

E2.6305-2Z/C3轴承-SKF E2.6305-2Z/C3轴承尺寸、图纸、价格

SKF E2.6305-2Z/C3轴承

产品名称:E2.6305-2Z/C3轴承 品牌:SKF
类型:SKF轴承 > 滚动轴承 > 深沟球轴承
描述:E2.6305-2Z/C3轴承是【SKF轴承 > 滚动轴承 > 深沟球轴承】的型号,主要用在各种产业机械、高频马达、桥式起重机、前轮、轧钢机齿轮箱座、机床主轴、发电厂、烟草机械、混凝土机械、冶金起重机等各大领域

 电话/微信:138-8949-5179

SKF E2.6305-2Z/C3轴承详细信息

E2.6305-2Z/C3轴承是【SKF轴承 > 滚动轴承 > 深沟球轴承】的型号,主要用在各种产业机械、高频马达、桥式起重机、前轮、轧钢机齿轮箱座、机床主轴、发电厂、烟草机械、混凝土机械、冶金起重机等各大领域。

SKF E2.6305-2Z/C3轴承详细参数

深沟球轴承, 单列, SKF Energy Efficient (E2) bearings
主要数据尺寸基本负荷额定值疲劳负荷限值额定速度体积型号
动态静态参照速度限制速度
dDBCC0Pu
mmkNkNr/minkg-
25621722,911,60,4927000150000,23E2.6305-2Z/C3

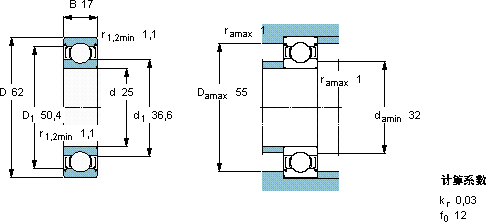
SKF E2.6305-2Z/C3轴承尺寸图纸

李工:138-8949-5179

刘工:135-0428-8802

地址:辽宁省大连经济技术开发区现代城3栋-13-13号

在线客服系统