李工:138-8949-5179 刘工:135-0428-8802
型号查询
轴承型号   常见搜索: 6304轴承 6006轴承 32313轴承 2026轴承 6018轴承 6017轴承
型号查询 X

轴承专区

Bearings Center

C 2212 KV + H 312 *轴承-SKF C 2212 KV + H 312 *轴承尺寸、图纸、价格

SKF C 2212 KV + H 312 *轴承

产品名称:C 2212 KV + H 312 *轴承 品牌:SKF
类型:SKF轴承 > 滚动轴承 > CARB®圆环滚子轴承
描述:C 2212 KV + H 312 *轴承是【SKF轴承 > 滚动轴承 > CARB®圆环滚子轴承】的型号,主要用在铁路车辆、油泵、中型及大型电动机、机床主轴、铁路车辆车轴、起重机吊钩、冶炼厂、纺织、专用车、机械手等各大领域

 电话/微信:138-8949-5179

SKF C 2212 KV + H 312 *轴承详细信息

C 2212 KV + H 312 *轴承是【SKF轴承 > 滚动轴承 > CARB®圆环滚子轴承】的型号,主要用在铁路车辆、油泵、中型及大型电动机、机床主轴、铁路车辆车轴、起重机吊钩、冶炼厂、纺织、专用车、机械手等各大领域。

SKF C 2212 KV + H 312 *轴承详细参数

CARB圆环滚子轴承, 带紧定套的, 满
主要数据尺寸基本负荷额定值疲劳负荷限值额定速度体积型号
动态静态参照速度限制速度轴承 + 紧定套
d1DBCC0Pu * - SKF Explorer 轴承 **-请查实能否供货
mmkNkNr/minkg-
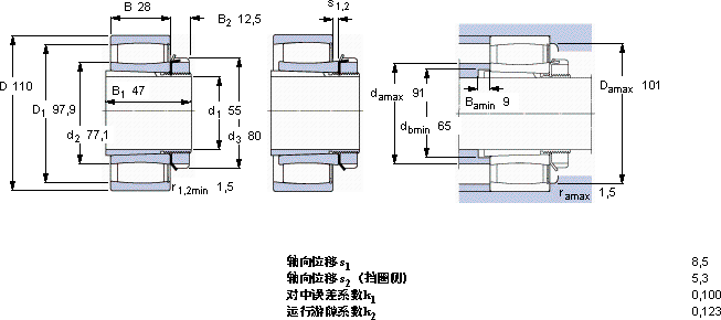
551102816619022,4-28001,50C 2212 KV + H 312 *-

SKF C 2212 KV + H 312 *轴承尺寸图纸

李工:138-8949-5179

刘工:135-0428-8802

地址:辽宁省大连经济技术开发区现代城3栋-13-13号

在线客服系统