李工:138-8949-5179 刘工:135-0428-8802
型号查询
轴承型号   常见搜索: 6007轴承 6010轴承 6014轴承 6006轴承 6305轴承 6032轴承
型号查询 X

轴承专区

Bearings Center

BVNB 328587/HA1轴承-SKF BVNB 328587/HA1轴承尺寸、图纸、价格

SKF BVNB 328587/HA1轴承

产品名称:BVNB 328587/HA1轴承 品牌:SKF
类型:SKF轴承 > 滚动轴承 > 圆柱滚子和圆锥滚子组合轴承
描述:BVNB 328587/HA1轴承是【SKF轴承 > 滚动轴承 > 圆柱滚子和圆锥滚子组合轴承】的型号,主要用在铁路车辆、机床主轴、减速装置、汽车、木工机械、耕耘机、冶炼厂、玩具、地基处理机械、机械手等各大领域

 电话/微信:138-8949-5179

SKF BVNB 328587/HA1轴承详细信息

BVNB 328587/HA1轴承是【SKF轴承 > 滚动轴承 > 圆柱滚子和圆锥滚子组合轴承】的型号,主要用在铁路车辆、机床主轴、减速装置、汽车、木工机械、耕耘机、冶炼厂、玩具、地基处理机械、机械手等各大领域。

SKF BVNB 328587/HA1轴承详细参数

组合式圆柱滚子轴承/圆锥滚子轴承, 组合式圆柱滚子轴承/圆锥滚子轴承
主要数据尺寸基本负荷额定值(1列)疲劳限值(1列)体积型号
径向轴向
动态静态动态静态径向轴向
dDBCC0CC0PuPu
mmkNkNkg-
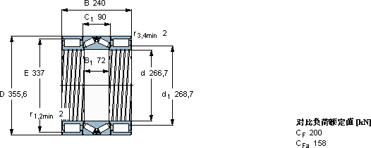
266,7355,62407651530655232015320867,5BVNB 328587/HA1

SKF BVNB 328587/HA1轴承尺寸图纸

李工:138-8949-5179

刘工:135-0428-8802

地址:辽宁省大连经济技术开发区现代城3栋-13-13号

在线客服系统