李工:138-8949-5179 刘工:135-0428-8802
型号查询
轴承型号   常见搜索: 6007轴承 22222轴承 6028轴承 6214轴承 6004轴承 32313轴承
型号查询 X

轴承专区

Bearings Center

BTW 190 CM/SP轴承-SKF BTW 190 CM/SP轴承尺寸、图纸、价格

SKF BTW 190 CM/SP轴承

产品名称:BTW 190 CM/SP轴承 品牌:SKF
类型:SKF轴承 > 超高精密轴承 > Double direction angular contact thrust ball bearings in the BTW series
描述:BTW 190 CM/SP轴承是【SKF轴承 > 超高精密轴承 > Double direction angular contact thrust ball bearings in the BTW series】的型号,主要用在飞机喷气式发动机、燃料喷射泵、压缩机、齿轮减速装置、造纸机械、石油钻机、燃机、医药设备、给料机械、厨具设备等各大领域

 电话/微信:138-8949-5179

SKF BTW 190 CM/SP轴承详细信息

BTW 190 CM/SP轴承是【SKF轴承 > 超高精密轴承 > Double direction angular contact thrust ball bearings in the BTW series】的型号,主要用在飞机喷气式发动机、燃料喷射泵、压缩机、齿轮减速装置、造纸机械、石油钻机、燃机、医药设备、给料机械、厨具设备等各大领域。

SKF BTW 190 CM/SP轴承详细参数

主要数据尺寸 基本负荷额定值 疲劳负荷限值 可达到的速度 体积 型号
动态 静态 疲劳负荷限值 当润滑与
疲劳负荷限值 油脂 滴油润滑
d D H C C C0 Pu
mm kN kN r/min kg -
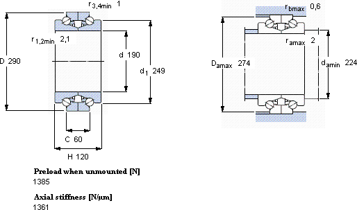
1902901206020373522,82000260024,0BTW 190 CM/SP

SKF BTW 190 CM/SP轴承尺寸图纸

李工:138-8949-5179

刘工:135-0428-8802

地址:辽宁省大连经济技术开发区现代城3栋-13-13号

在线客服系统