轴承专区
Bearings Center
BA1B 307756轴承-SKF BA1B 307756轴承尺寸、图纸、价格
SKF BA1B 307756轴承
| 产品名称: | BA1B 307756轴承 | 品牌: | SKF |
|---|---|---|---|
| 类型: | SKF轴承 > 滚动轴承 > 角接触球轴承 | ||
| 描述: | BA1B 307756轴承是【SKF轴承 > 滚动轴承 > 角接触球轴承】的型号,主要用在燃汽轮机、高频马达、发电机、前轮、轧钢机齿轮箱座、机床等的变速装置、电机厂、破碎、压路机、码垛机器人等各大领域 | ||
电话/微信:138-8949-5179
SKF BA1B 307756轴承详细信息
BA1B 307756轴承是【SKF轴承 > 滚动轴承 > 角接触球轴承】的型号,主要用在燃汽轮机、高频马达、发电机、前轮、轧钢机齿轮箱座、机床等的变速装置、电机厂、破碎、压路机、码垛机器人等各大领域。
SKF BA1B 307756轴承详细参数
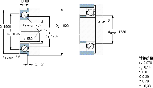
| 角接触球轴承, 单列, 公制轴承, 外圈有挡边 | |||||||||||
| 主要数据尺寸 | 尺寸 [英寸] | 疲劳负荷限值 | 额定速度 | 体积 | 型号 | ||||||
| 动态 | 静态 | 参照速度 | 限制速度 | ||||||||
| d | D | B | C | C0 | Pu | ||||||
| mm | kN | kN | r/min | kg | - | ||||||
| 1700 | 1900 | 80 | 975 | 4550 | 45,5 | 160 | 170 | 310 | BA1B 307756 | ||
SKF BA1B 307756轴承尺寸图纸

