李工:138-8949-5179 刘工:135-0428-8802
型号查询
轴承型号   常见搜索: 32313轴承 6305轴承 688a轴承 6007轴承 6030轴承 6909轴承
型号查询 X

轴承专区

Bearings Center

BTW 150 CM/SP轴承-SKF BTW 150 CM/SP轴承尺寸、图纸、价格

SKF BTW 150 CM/SP轴承

产品名称:BTW 150 CM/SP轴承 品牌:SKF
类型:SKF轴承 > 超高精密轴承 > Double direction angular contact thrust ball bearings in the BTW series
描述:BTW 150 CM/SP轴承是【SKF轴承 > 超高精密轴承 > Double direction angular contact thrust ball bearings in the BTW series】的型号,主要用在铁路车辆、油泵、泵、机床主轴、振动筛、起重机吊钩、冶炼厂、制鞋、强夯机、机械手等各大领域

 电话/微信:138-8949-5179

SKF BTW 150 CM/SP轴承详细信息

BTW 150 CM/SP轴承是【SKF轴承 > 超高精密轴承 > Double direction angular contact thrust ball bearings in the BTW series】的型号,主要用在铁路车辆、油泵、泵、机床主轴、振动筛、起重机吊钩、冶炼厂、制鞋、强夯机、机械手等各大领域。

SKF BTW 150 CM/SP轴承详细参数

主要数据尺寸 基本负荷额定值 疲劳负荷限值 可达到的速度 体积 型号
动态 静态 疲劳负荷限值 当润滑与
疲劳负荷限值 油脂 滴油润滑
d D H C C C0 Pu
mm kN kN r/min kg -
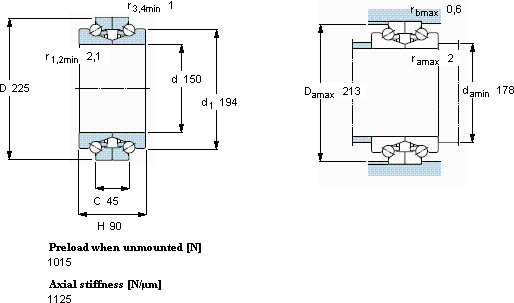
150225904512744015,33000360010,5BTW 150 CM/SP

SKF BTW 150 CM/SP轴承尺寸图纸

李工:138-8949-5179

刘工:135-0428-8802

地址:辽宁省大连经济技术开发区现代城3栋-13-13号

在线客服系统