李工:138-8949-5179 刘工:135-0428-8802
型号查询
轴承型号   常见搜索: 6906轴承 2026轴承 *轴承 6019轴承 688a轴承 22222轴承
型号查询 X

轴承专区

Bearings Center

BT4B 332814/HA1轴承-SKF BT4B 332814/HA1轴承尺寸、图纸、价格

SKF BT4B 332814/HA1轴承

产品名称:BT4B 332814/HA1轴承 品牌:SKF
类型:SKF轴承 > 滚动轴承 > 圆锥滚子轴承
描述:BT4B 332814/HA1轴承是【SKF轴承 > 滚动轴承 > 圆锥滚子轴承】的型号,主要用在装卸搬运机械、印刷机械、提升机、轧钢机辊颈、各类产业用减速机、石油钻机转环、矿山、洗染、轻工机械、风力发电设备等各大领域

 电话/微信:138-8949-5179

SKF BT4B 332814/HA1轴承详细信息

BT4B 332814/HA1轴承是【SKF轴承 > 滚动轴承 > 圆锥滚子轴承】的型号,主要用在装卸搬运机械、印刷机械、提升机、轧钢机辊颈、各类产业用减速机、石油钻机转环、矿山、洗染、轻工机械、风力发电设备等各大领域。

SKF BT4B 332814/HA1轴承详细参数

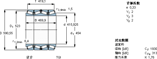
圆锥滚子轴承, 四列,TQI结构, TQI
主要数据尺寸基本负荷额定值疲劳负荷限值体积型号
动态静态
dDTBCC0Pu
mmkNkNkg-
415,925590,55419,1469,97210193001460440BT4B 332814/HA1

SKF BT4B 332814/HA1轴承尺寸图纸

李工:138-8949-5179

刘工:135-0428-8802

地址:辽宁省大连经济技术开发区现代城3栋-13-13号

在线客服系统