轴承专区
Bearings Center
BT4B 331809/HA1轴承-SKF BT4B 331809/HA1轴承尺寸、图纸、价格
SKF BT4B 331809/HA1轴承
| 产品名称: | BT4B 331809/HA1轴承 | 品牌: | SKF |
|---|---|---|---|
| 类型: | SKF轴承 > 滚动轴承 > 圆锥滚子轴承 | ||
| 描述: | BT4B 331809/HA1轴承是【SKF轴承 > 滚动轴承 > 圆锥滚子轴承】的型号,主要用在家用电器、油泵、减速装置、机床主轴、轧钢机辊道子、石油钻机、塔吊、玩具、给料机械、塔式车库等各大领域 | ||
电话/微信:138-8949-5179
SKF BT4B 331809/HA1轴承详细信息
BT4B 331809/HA1轴承是【SKF轴承 > 滚动轴承 > 圆锥滚子轴承】的型号,主要用在家用电器、油泵、减速装置、机床主轴、轧钢机辊道子、石油钻机、塔吊、玩具、给料机械、塔式车库等各大领域。
SKF BT4B 331809/HA1轴承详细参数
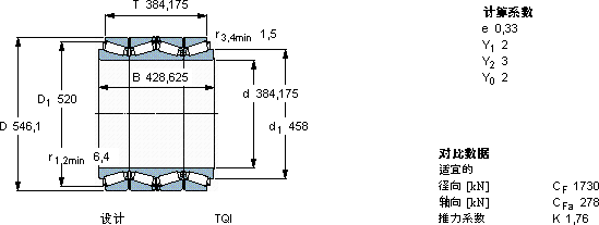
| 圆锥滚子轴承, 四列,TQI结构, TQI | |||||||||
| 主要数据尺寸 | 基本负荷额定值 | 疲劳负荷限值 | 体积 | 型号 | |||||
| 动态 | 静态 | ||||||||
| d | D | T | B | C | C0 | Pu | |||
| mm | kN | kN | kg | - | |||||
| 384,175 | 546,1 | 384,175 | 428,625 | 6440 | 16600 | 1290 | 300 | BT4B 331809/HA1 | |
SKF BT4B 331809/HA1轴承尺寸图纸

